Качественные детали и логистика
Оригинальные и аналоговые запчасти с доставкой по России, Казахстану и Беларуси
©2022 PartSell ООО "Система" ИНН 2463123282 ОГРН 1212400004838
Центральный офис: г. Красноярск, Академика Киренского, д.87, пом.4
Телефон: 8 (800) 777-65-74 Email: zakaz@partsell.ru
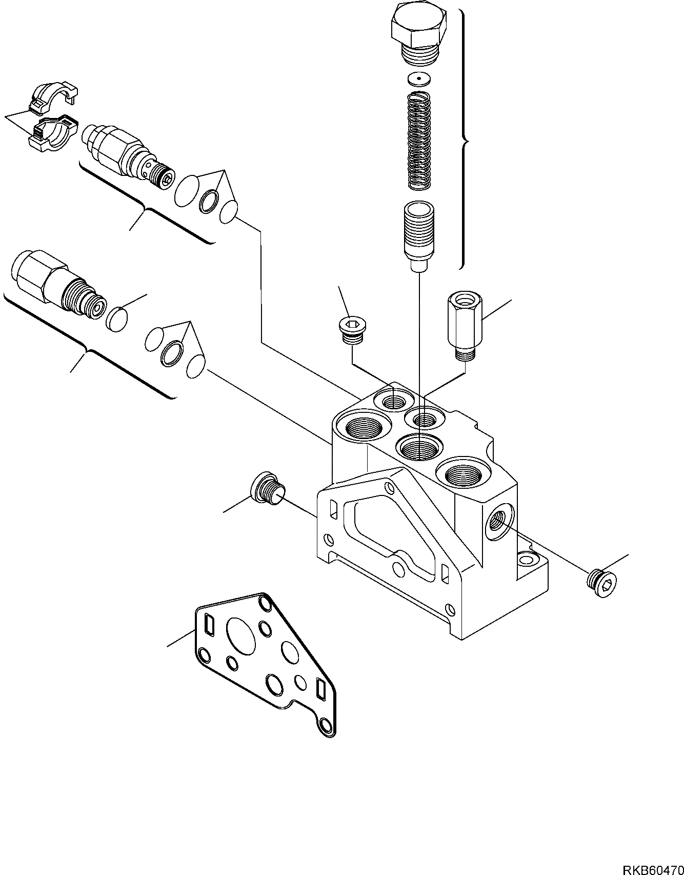
УПРАВЛЯЮЩ. КЛАПАН (/)
№
Артикул
Название
Примечание
Количество
\0
20W-60-R1121
CONTROL VALVE
RE08403416
ELEMENT, INNER, ASSEMBLY
1
RE08201479
VALVE, ASSEMBLY
2
844200477
3
844200515
KIT, GASKET
4
844200423
KIT, LOCKING COVER (ORANGE)
\4
844200424
KIT, LOCKING COVER (BLUE)
5
844200432
GOVERNOR
6
844200514
7
844200522
FILTER
8
844200520
PLUG
9
RE07112597
10
RE08201951
ORIFICE
11
RE08101426
SEAL
Выбрано товаров: 0