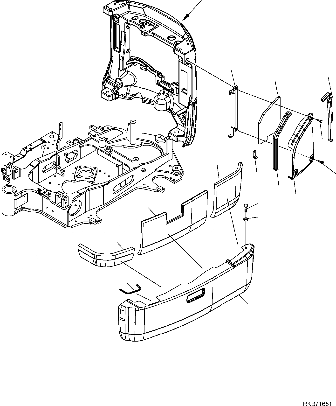
Запчасти Komatsu PC16R-3 ЛЕВ. COVER ЧАСТИ КОРПУСА И КАБИНА

Схема запчастей Komatsu PC16R-3 - ЛЕВ. COVER ЧАСТИ КОРПУСА И КАБИНА
13
12
10
9
4
9
14
11
8
6
3
7
2
5
1
A
FIT
1:1
100%

Артикул

Название

Примечание

Количество

1

20W-54-92112

COVER

2

20W-54-92140

SHEET

3

20W-54-92150

SHEET

4

20W-54-92160

SHEET

5

20W-54-92170

SEAL

6

01010-81025

BOLT

7

01643-11032

WASHER

8

22J-54-R5313

COVER

9

01245-00816

SCREW

10

20W-54-92240

SHEET

11

22J-54-R5323

SEAL

12

22J-54-R5332

SEAL

13

22L-09-R9121

BRACKET

14

22L-09-R9131

BRACKET

Выбрано товаров: 14