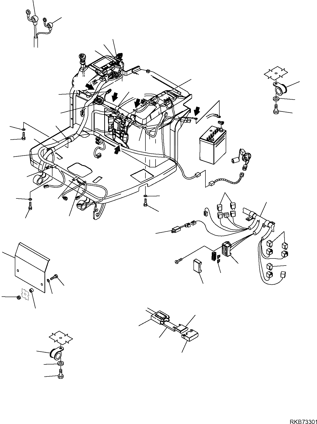
Запчасти Komatsu PC16R-3 ЭЛЕКТРИКА (ОСНОВН. КОНСТРУКЦИЯ ЛИНИЯ) КОМПОНЕНТЫ ДВИГАТЕЛЯ

Схема запчастей Komatsu PC16R-3 - ЭЛЕКТРИКА (ОСНОВН. КОНСТРУКЦИЯ ЛИНИЯ) КОМПОНЕНТЫ ДВИГАТЕЛЯ
32
31
12
14
13
1
21
13
33
23
22
35
1
3
1
2
15
24
7
30
17
9
24
7
16
33
8
30
34
20
29
25
26
25
10
18
11
28
19
24
36
4
27
6
5
a
a
b
b
c
c
d
d
e
e
FIT
1:1
100%

Артикул

Название

Примечание

Количество

1

04434-52711

CLIP

2

01010-81020

BOLT

3

01643-11032

WASHER

4

08053-01510

CLIP

5

01010-81016

BOLT

6

01643-11032

WASHER

7

04434-51912

CLAMP

8

01010-81020

BOLT

9

01643-11032

WASHER

10

01010-80635

BOLT

11

01643-10623

WASHER

12

20S-06-31130

STARTING BLOCK

13

21R-06-11130

CAP

14

08034-20536

BAND

15

04434-51010

CLAMP

16

01010-81020

BOLT

17

01643-11032

WASHER

18

01598-00608

NUT

19

37A-54-11360

SPACER

20

22L-09-R9170

PLATE

21

08053-00910

CLAMP

22

01252-70812

BOLT

23

01643-10823

WASHER

24

22J-06-R6112

WIRING HARNESS, FLOOR FRAME LINE

25

21D-06-11780

FUSE BOX, ASSEMBLY

26

21D-06-11830

FUSE 15A

26

21D-06-11820

FUSE 10A

26

21D-06-11840

FUSE 20A

26

22L-09-R2T50

FUSE 30A

26

21D-06-12060

FUSE 5A

27

21W-09-R6630

COVER

28

22E-06-11620

FUSE

29

226-06-11350

RELAY

30

885071048

RELAY

31

885241031

BOOT

32

395-06-12260

BOOT

33

21X-06-31530

DIODE

34

YM129211-77920

TIMER

35

GROMMET

36

22L-09-R3960

SUPPORT, RELAY

Выбрано товаров: 40