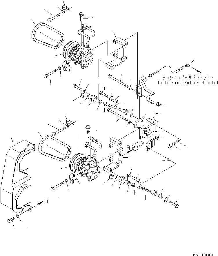
Запчасти Komatsu PC1800-6-M1 КОНДИЦ. ВОЗДУХА (КОМПРЕССОР)(№-) КАБИНА ОПЕРАТОРА И СИСТЕМА УПРАВЛЕНИЯ

Схема запчастей Komatsu PC1800-6-M1 - КОНДИЦ. ВОЗДУХА (КОМПРЕССОР)(№-) КАБИНА ОПЕРАТОРА И СИСТЕМА УПРАВЛЕНИЯ
1
1
2
2
3
3
4
5
6
7
8
9
9
9
9
10
10
10
10
11
11
12
12
13
13
14
14
15
15
16
17
18
19
19
20
20
21
21
22
22
22
22
23
23
23
23
24
24
25
25
26
26
27
27
28
28
29
FIT
1:1
100%

Артикул

Название

Примечание

Количество

1

198-911-9580

COMPRESSOR

2

01435-00630

BOLT

3

04120-21740

V-BELT

4

21T-979-6811

BRACKET

5

01010-81240

BOLT

6

01643-31232

WASHER

7

21T-979-6820

BRACKET

8

21T-979-6830

BRACKET

9

01010-80885

BOLT

10

01643-30823

WASHER

11

01019-31240

BOLT

12

01643-31232

WASHER

13

01580-11210

NUT

14

08036-10814

CLIP

15

08193-20010

CLIP

16

21T-979-6841

COVER

17

01010-81225

BOLT

18

01643-31232

WASHER

19

6150-82-8690

PLATE

20

01010-81250

BOLT

21

01643-31232

WASHER

22

01580-11411

NUT

23

01643-31445

WASHER

24

6150-82-8610

ROD

25

6215-81-6150

PIN

26

01010-81250

BOLT

27

01643-32260

WASHER

28

175-54-34170

WASHER

29

201-62-41910

ELBOW

Выбрано товаров: 29