Запчасти Komatsu PC1800-6 ПАЛЕЦ СТРЕЛЫ(ЭКСКАВАТ.) ОСНОВНАЯ РАМА И ЕЕ ЧАСТИ

Схема запчастей Komatsu PC1800-6 - ПАЛЕЦ СТРЕЛЫ(ЭКСКАВАТ.) ОСНОВНАЯ РАМА И ЕЕ ЧАСТИ
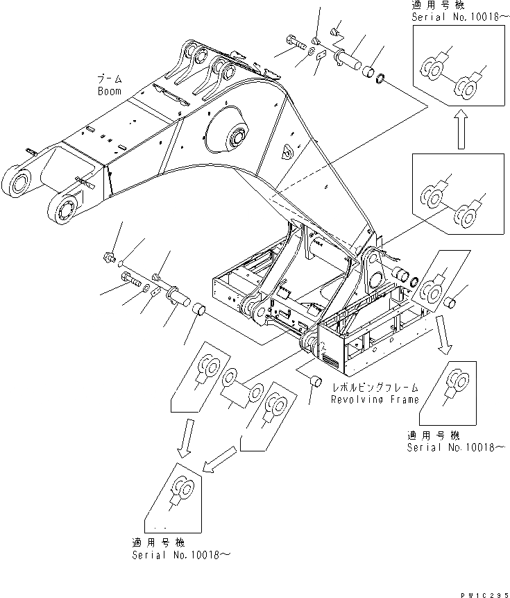
1
1A
2
3
4
5
6
6
6
6
6
6
7
8
9
10
11
12
13
14
15
15
15
16
17
18
19
FIT
1:1
100%

Артикул

Название

Примечание

Количество

1

21T-70-71232

BUSHING

1A

21T-70-67230

BUSHING

1

21T-70-71232

BUSHING

2

21T-70-71181

PIN

3

21T-70-71490

PLATE

4

01010-82455

BOLT

5

01643-32460

WASHER

6

21T-70-00211

SHIM ASS'Y

6

21T-70-00210

SHIM ASS'Y

6

21T-70-00060

SHIM ASS'Y

6

SHIM, 1.0MM

6

SHIM, 1.0MM

6

SHIM, 1.0MM

6

SHIM, 1.5MM

6

SHIM, 1.5MM

6

SHIM, 1.5MM

7

07049-02430

PLUG

8

07049-03038

PLUG

9

21T-70-71232

BUSHING

10

21T-70-71222

BUSHING

11

21T-70-71191

PIN

12

21T-70-71490

PLATE

13

01010-82455

BOLT

14

01643-32460

WASHER

15

21T-70-00211

SHIM ASS'Y

15

21T-70-00210

SHIM ASS'Y

15

21T-70-00060

SHIM ASS'Y

15

SHIM, 1.0MM

15

SHIM, 1.0MM

15

SHIM, 1.0MM

15

SHIM, 1.5MM

15

SHIM, 1.5MM

15

SHIM, 1.5MM

16

178-70-12550

SPACER

17

07049-02430

PLUG

18

21T-70-71460

PLUG

19

07002-13034

O-RING

Выбрано товаров: 37