Качественные детали и логистика
Оригинальные и аналоговые запчасти с доставкой по России, Казахстану и Беларуси
©2022 PartSell ООО "Система" ИНН 2463123282 ОГРН 1212400004838
Центральный офис: г. Красноярск, Академика Киренского, д.87, пом.4
Телефон: 8 (800) 777-65-74 Email: zakaz@partsell.ru
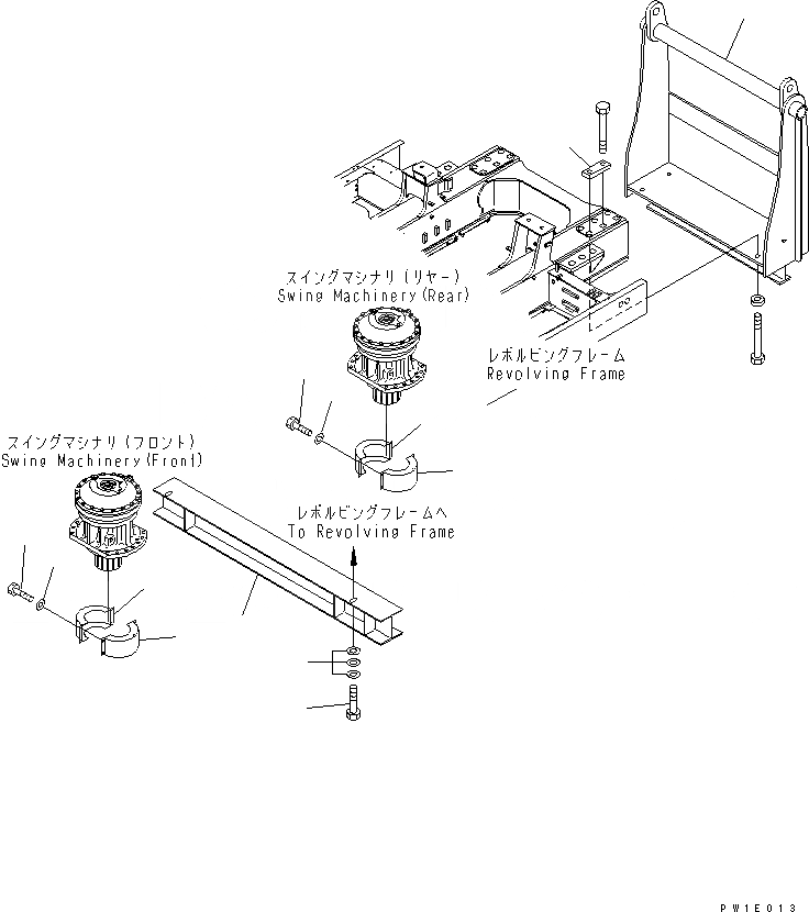
ТРАНСПОРТ ЧАСТИ (КОРПУС И COVER) (КРОМЕ ЯПОН.)(№-)
№
Артикул
Название
Примечание
Количество
1
21T-98-63112
BRACKET
2
21T-98-63150
COVER
3
21T-98-63160
4
01010-80820
BOLT
5
01643-30823
WASHER
6
21T-98-63142
BASE
7
01010-83695
8
01643-33690
9
21T-98-63180
SEAT
Выбрано товаров: 0