Запчасти Komatsu PC1800-6 ОСНОВН. НАСОС (/) (ПОВОРОТН. НАСОС) ОСНОВН. КОМПОНЕНТЫ И РЕМКОМПЛЕКТЫ

Схема запчастей Komatsu PC1800-6 - ОСНОВН. НАСОС (/) (ПОВОРОТН. НАСОС) ОСНОВН. КОМПОНЕНТЫ И РЕМКОМПЛЕКТЫ
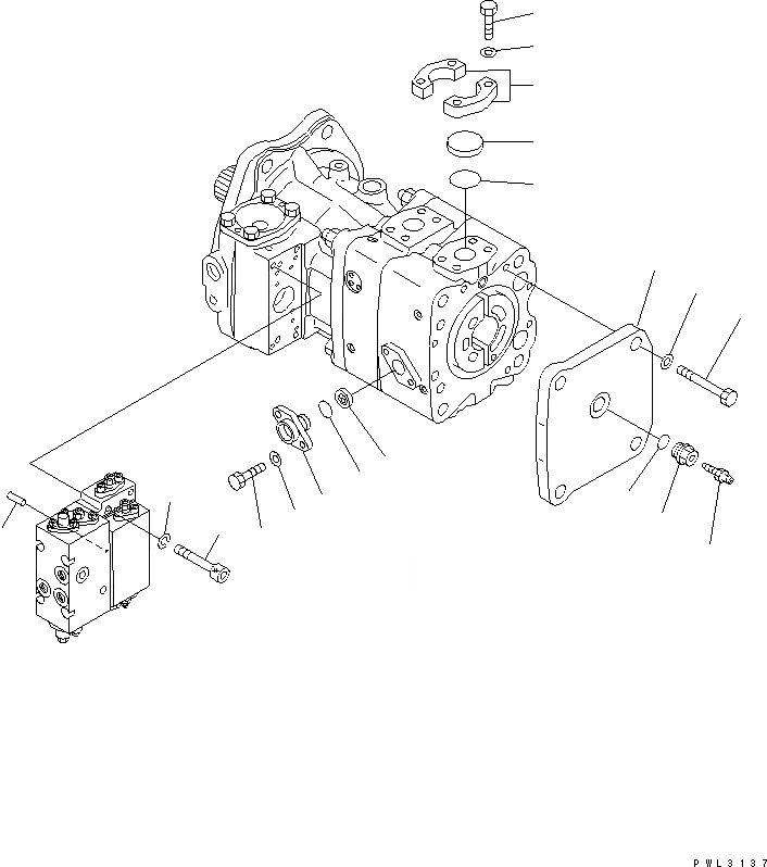
1
2
3
4
5
6
7
8
9
10
11
12
13
14
15
16
17
18
19
FIT
1:1
100%

Артикул

Название

Примечание

Количество

|$1

708-1H-00320

PUMP ASS'Y

1

708-25-19130

BOLT

2

01602-20825

WASHER

3

04020-00616

PIN

4

708-27-22530

FLANGE

5

07000-B2021

O-RING

6

720-68-15240

FILTER

7

01010-81025

BOLT

8

01643-31032

WASHER

9

07371-41260

FLANGE

10

01010-81245

BOLT

11

01643-31232

WASHER

12

07378-11210

HEAD

13

07000-B3038

O-RING

14

708-1H-22340

PLATE

15

01010-62055

BOLT

16

01643-32060

WASHER

17

706-87-40150

PLUG

18

708-1W-28910

O-RING

19

21T-62-87980

BLEEDER

Выбрано товаров: 20