/ / / / / / ОСНОВН. КЛАПАН (4-Х СЕКЦИОНН.) (/)
Запчасти Komatsu PC1800-6 ОСНОВН. КЛАПАН (4-Х СЕКЦИОНН.) (/) ОСНОВН. КОМПОНЕНТЫ И РЕМКОМПЛЕКТЫ
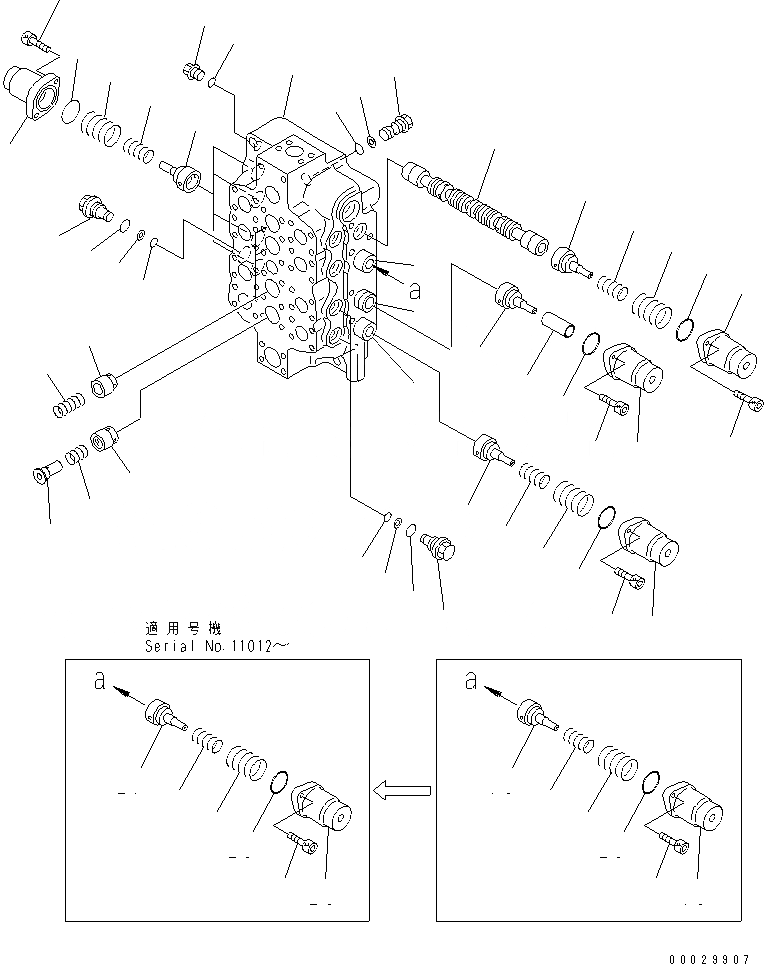
1
2
3
4
5
6
7
8
9
10
11
11
12
12
13
13
14
14
15
15
15
15
15
16
16
16
16
16
17
18
18
18
18
18
19
19
19
19
19
20
20
20
20
20
21
21
21
21
21
21
22
23
24
25
26
27
28
29
|$3
709-14-93702
CONTROL VALVE
|$4
709-14-93701
CONTROL VALVE
|$5
709-14-93700
CONTROL VALVE
|$10
709-14-00092
BODY GROUP ASS'Y
|$11
709-14-00091
BODY GROUP ASS'Y
|$12
709-14-00090
BODY GROUP ASS'Y
1
BODY,VALVE
2
SPOOL
3
SPOOL SUB ASS'Y
3
SPOOL SUB ASS'Y
3
SPOOL SUB ASS'Y
4
SPOOL
5
SPOOL SUB ASS'Y
6
700-22-11370
PLUG
7
07002-12434
O-RING
8
709-14-11510
PLUG
9
700-80-61260
O-RING
10
700-80-61430
RING
11
700-94-11260
PLUG
12
07002-13634
O-RING
13
07000-12018
O-RING
14
07001-02018
RING,BACK-UP
15
709-14-11520
CASE
15
709-14-11520
CASE
16
709-14-11530
RETAINER
16
709-14-11530
RETAINER
17
709-14-11540
TUBE
18
709-14-11550
SPRING
19
709-14-11560
SPRING
20
07000-12065
O-RING
20
07000-12065
O-RING
21
01252-61035
BOLT
22
709-12-11411
VALVE,CHECK
23
709-14-11581
VALVE,CHECK
24
709-12-11430
SPRING
25
709-14-11590
SPRING
26
709-14-11610
SEAT
27
709-14-12380
RETAINER
28
709-14-12390
CASE
29
6354-81-5670
O-RING
Выбрано товаров: 0