Запчасти Komatsu PC1800-6 ОСНОВН. НАСОС (С КЛАПАНОМ TVC)(№-) ГИДРАВЛИКА

Схема запчастей Komatsu PC1800-6 - ОСНОВН. НАСОС (С КЛАПАНОМ TVC)(№-) ГИДРАВЛИКА
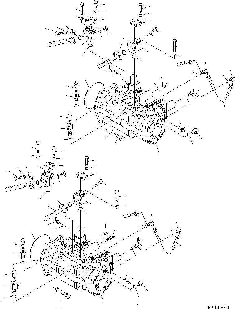
1
1
2
3
4
5
6
7
8
9
10
11
12
13
14
15
16
17
18
19
20
21
22
23
24
25
26
27
28
29
30
31
32
33
34
35
36
37
37
38
38
39
39
40
40
41
41
42
42
42
42
43
43
43
43
44
44
44
44
45
45
45
45
46
46
47
47
48
48
48
48
49
49
49
49
50
50
50
50
51
51
51
51
52
52
52
52
53
53
54
54
55
55
55
55
56
56
FIT
1:1
100%

Артикул

Название

Примечание

Количество

1

708-2L-00810

PUMP ASS'Y,(SEE FIG.Y1600-61A0)

2

21T-62-87980

BLEEDER

3

706-87-40150

PLUG

4

07002-22434

O-RING

5

21T-62-87231

ELBOW

6

07002-22434

O-RING

7

21T-62-87980

BLEEDER

8

07235-10210

ELBOW

9

07002-21423

O-RING

10

207-62-13970

NIPPLE

11

07002-21023

O-RING

12

07235-10315

ELBOW

13

07002-22034

O-RING

14

21T-62-68930

ELBOW

15

07042-30108

PLUG

16

07002-21423

O-RING

17

21T-62-68930

ELBOW

18

07002-21423

O-RING

19

07042-30108

PLUG

20

21T-62-87980

BLEEDER

21

706-87-40150

PLUG

22

07002-22434

O-RING

23

21T-62-87231

ELBOW

24

07002-22434

O-RING

25

21T-62-87980

BLEEDER

26

07235-10210

ELBOW

27

07002-21423

O-RING

28

207-62-13970

NIPPLE

29

07002-21023

O-RING

30

07235-10315

ELBOW

31

07002-22034

O-RING

32

21T-62-68930

ELBOW

33

07002-21423

O-RING

34

07042-30108

PLUG

35

203-62-57190

NIPPLE

36

07002-21423

O-RING

37

07000-E5230

O-RING

38

01010-81650

BOLT

39

01643-31645

WASHER

40

21T-62-64360

BLOCK

41

21T-62-64370

BLOCK

42

07040-11007

PLUG

43

07002-21023

O-RING

44

07000-B3032

O-RING

45

07371-31049

FLANGE

46

07372-21035

BOLT

47

01643-51032

WASHER

48

01252-41085

BOLT

49

01643-51032

WASHER

50

07371-30640

FLANGE

51

07372-21035

BOLT

52

01643-51032

WASHER

53

209-62-78760

HOSE, 250MM

54

07235-10311

ELBOW

55

07002-21423

O-RING

56

20Y-62-22530

TEE

Выбрано товаров: 0