Запчасти Komatsu PC1800-6 ОСНОВН. НАСОС (БЕЗ TVC КЛАПАН)(№-) ГИДРАВЛИКА

Схема запчастей Komatsu PC1800-6 - ОСНОВН. НАСОС (БЕЗ TVC КЛАПАН)(№-) ГИДРАВЛИКА
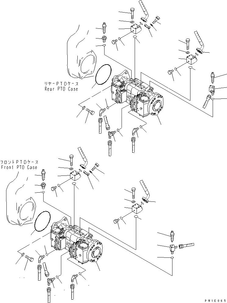
1
1
2
2
3
3
4
4
5
5
6
6
7
7
7
7
8
8
8
8
9
9
10
10
11
11
12
12
13
13
14
14
15
15
15
15
16
16
16
16
17
17
17
17
18
18
18
18
19
19
19
19
20
20
20
20
21
21
21
21
22
22
23
23
FIT
1:1
100%

Артикул

Название

Примечание

Количество

1

708-2L-00540

PUMP ASS'Y,(SEE FIG. Y1600-21A0)

2

21T-62-87231

ELBOW

3

07002-22434

O-RING

4

21T-62-87980

BLEEDER

5

21T-62-87330

TEE

6

07002-22034

O-RING

7

07235-10210

ELBOW

8

07002-21423

O-RING

9

21T-62-87980

BLEEDER

10

706-87-40150

PLUG

11

07002-22434

O-RING

12

07000-E5230

O-RING

13

01010-81650

BOLT

14

01643-31645

WASHER

15

21T-62-64380

BLOCK

16

07040-11007

PLUG

17

07002-21023

O-RING

18

07000-B3032

O-RING

19

01010-81085

BOLT

20

01643-31032

WASHER

21

07371-31049

FLANGE

22

07372-21035

BOLT

23

01643-51032

WASHER

Выбрано товаров: 0