Запчасти Komatsu PC1800-6 ОХЛАЖД-Е (ВЕНТИЛЯТОР РАДИАТОРА КРЕПЛЕНИЕ)(№-) СИСТЕМА ОХЛАЖДЕНИЯ

Схема запчастей Komatsu PC1800-6 - ОХЛАЖД-Е (ВЕНТИЛЯТОР РАДИАТОРА КРЕПЛЕНИЕ)(№-) СИСТЕМА ОХЛАЖДЕНИЯ
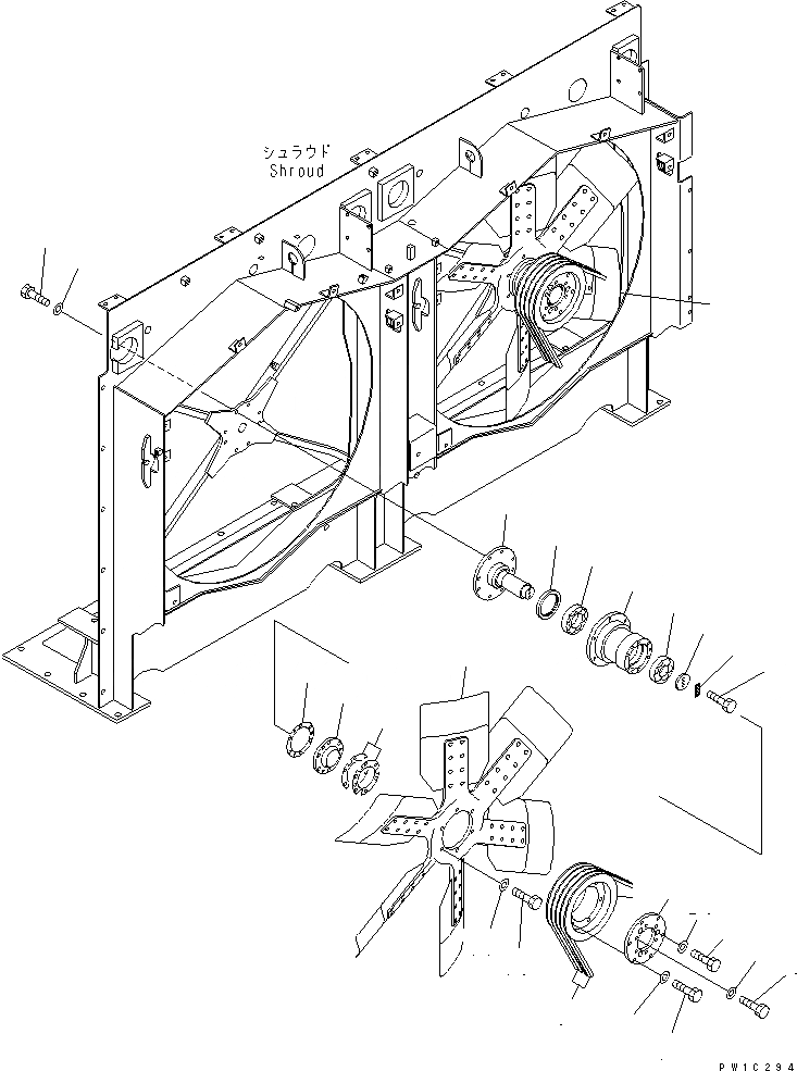
1
2
3
4
5
6
7
8
9
10
11
12
13
14
15
15
16
17
18
19
20
21
22
23
24
25
FIT
1:1
100%

Артикул

Название

Примечание

Количество

1

209-03-71610

SHAFT

2

01010-81235

BOLT

3

01643-31232

WASHER

4

209-03-71690

PULLEY

5

209-03-71630

HOLDER

6

600-736-9710

V-BELT

7

01010-81240

BOLT

8

01643-31232

WASHER

9

01010-81260

BOLT

10

01643-31232

WASHER

11

195-03-11880

SHIM, 1.0MM

12

175-03-34380

COVER

13

209-03-11171

GASKET

14

209-03-21130

DRUM

15

600-645-1280

FAN

16

01010-81240

BOLT

17

01643-31232

WASHER

18

195-03-11842

HOLDER

19

01010-81030

BOLT

20

195-03-11851

LOCK

21

07011-10100

SEAL

22

06040-06213

BEARING

23

06040-06310

BEARING

24

01010-81030

BOLT

25

01643-51032

WASHER

Выбрано товаров: 25