Запчасти Komatsu PC1800-6 НАСОС СМАЗКИ (СМАЗ. GUN И REEL) (LINCOLN)(№-) РАЗНОЕ

Схема запчастей Komatsu PC1800-6 - НАСОС СМАЗКИ (СМАЗ. GUN И REEL) (LINCOLN)(№-) РАЗНОЕ
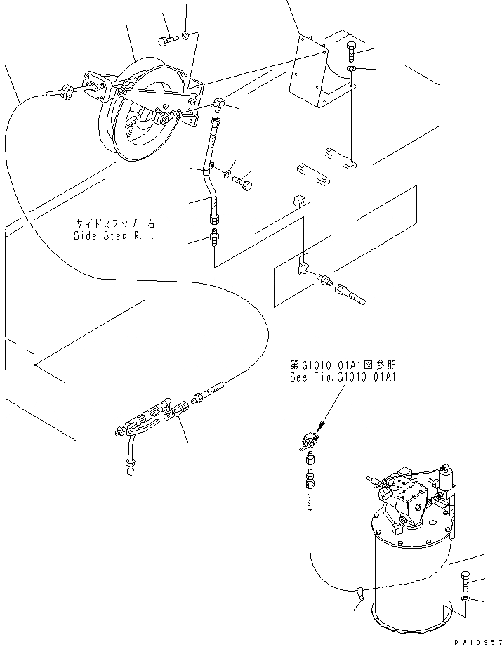
1
2
3
4
5
6
7
8
9
10
11
12
13
14
15
16
17
18
FIT
1:1
100%

Артикул

Название

Примечание

Количество

1

21T-68-68110

GREASE PUMP

2

01010-81025

BOLT

3

01643-31032

WASHER

4

04434-52712

CLIP

5

209-68-51240

HOSE REEL ASS'Y

6

209-68-11230

GREASE GUN ASS'Y

7

21T-72-17720

HOSE

8

21T-72-17690

ADAPTER

9

21T-68-72390

ELBOW

10

08036-01214

CLIP

11

01010-81225

BOLT

12

01643-31232

WASHER

13

01010-81030

BOLT

14

01643-31032

WASHER

15

21T-68-72410

BRACKET

16

01010-81225

BOLT

17

01643-31232

WASHER

18

21T-68-72450

HOSE

Выбрано товаров: 0