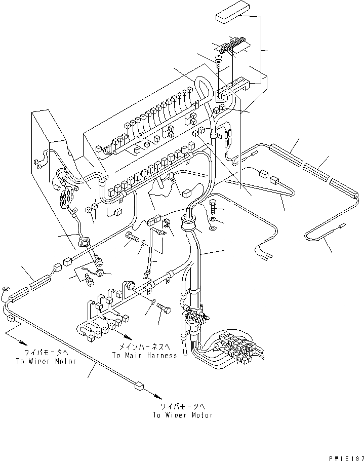
Запчасти Komatsu PC1800-6 ЭЛЕКТРИКА (КАБИНА) (Э/ПРОВОДКА)(№-) ЭЛЕКТРИКА

Схема запчастей Komatsu PC1800-6 - ЭЛЕКТРИКА (КАБИНА) (Э/ПРОВОДКА)(№-) ЭЛЕКТРИКА
1
1A
1A
1A
2
2
3
3
4
5
6
7
8
9
10
11
12
13
14
15
16
17
18
19
20
21
22
23
24
FIT
1:1
100%

Артикул

Название

Примечание

Количество

1

21T-06-64113

WIRING HARNESS

1

21T-06-64112

WIRING HARNESS

1A

08020-10000

DIODE

2

08041-01000

FUSE, 10A

3

08041-02000

FUSE, 20A

4

08044-11500

BOX

5

01023-10625

SCREW

6

01010-81020

BOLT

7

01643-31032

WASHER

8

21T-06-64142

WIRING HARNESS

8

21T-06-67340

PLUG

9

08053-15010

CLIP

10

01010-81020

BOLT

11

01643-31032

WASHER

12

21T-06-67381

WIRING HARNESS

12

21T-06-67370

CONNECTOR

13

562-43-15810

CAP

14

01023-10308

SCREW

15

201-910-6270

GROMMET

16

21T-06-71860

WIRING HARNESS

17

21T-06-67480

WIRING HARNESS

18

08912-50900

CORD

19

21T-06-71920

COVER

20

21T-06-71930

COVER

21

21T-06-71950

COVER

22

08028-52055

CABLE, GROUND

23

01010-81020

BOLT

24

01643-31032

WASHER

Выбрано товаров: 28