Запчасти Komatsu PC1800-6 ЭЛЕКТРИКА (КАБИНА) (КРЕПЛЕНИЕ)(№-) ЭЛЕКТРИКА

Схема запчастей Komatsu PC1800-6 - ЭЛЕКТРИКА (КАБИНА) (КРЕПЛЕНИЕ)(№-) ЭЛЕКТРИКА
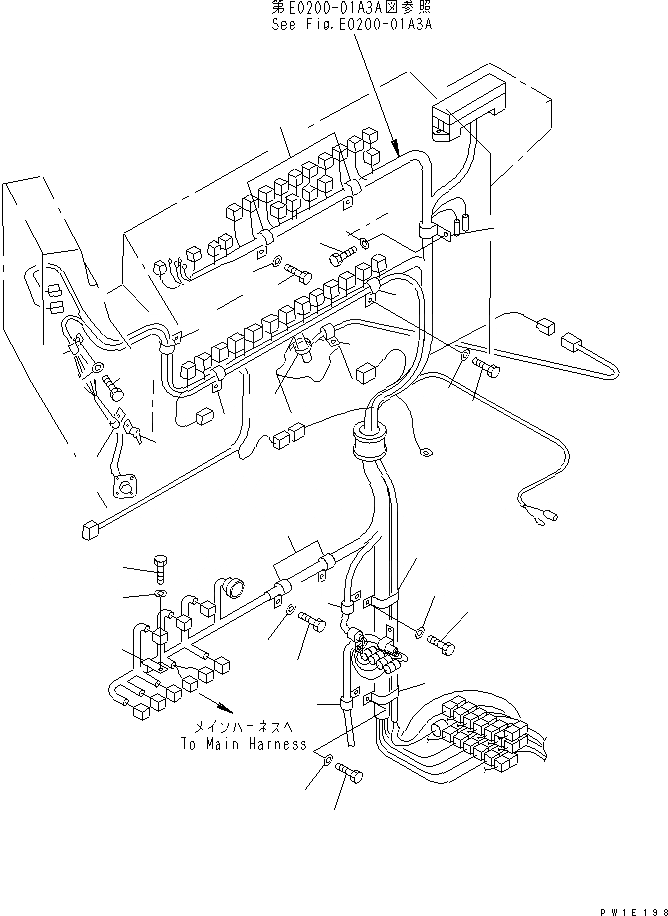
1
2
3
4
5
6
7
7
7
8
9
10
10
11
12
13
14
15
16
17
18
19
20
21
21
22
22
23
24
25
26
27
FIT
1:1
100%

Артикул

Название

Примечание

Количество

1

04434-51908

CLIP

2

01010-80820

BOLT

2

01010-80816

BOLT

3

01643-30823

WASHER

4

04434-53411

CLIP

5

01010-81020

BOLT

6

01643-31032

WASHER

7

04434-52511

CLIP

8

01010-81020

BOLT

9

01643-31032

WASHER

10

08036-00614

CLIP

11

01010-81220

BOLT

12

01643-31232

WASHER

13

08036-00814

CLIP

14

08034-40521

BAND

15

04434-53212

CLIP

15

04434-52712

CLIP

16

01010-81225

BOLT

17

01643-31232

WASHER

18

04434-52112

CLIP

18

04434-51912

CLIP

19

01010-81225

BOLT

20

01643-31232

WASHER

21

04434-51912

CLIP

21

04434-51712

CLIP

22

04435-51912

CLIP

23

01010-81225

BOLT

24

01643-31232

WASHER

25

01010-81220

BOLT

25

01010-81020

BOLT

26

01643-31232

WASHER

26

01643-31032

WASHER

27

08193-20012

CLIP

Выбрано товаров: 33