Запчасти Komatsu PC1800-6 ПРИВОД НАСОС (НАСОС КОМПОНЕНТЫ) (+ЯC СПЕЦ-Я.)(№7-) ГИДРАВЛИКА

Схема запчастей Komatsu PC1800-6 - ПРИВОД НАСОС (НАСОС КОМПОНЕНТЫ) (+ЯC СПЕЦ-Я.)(№7-) ГИДРАВЛИКА
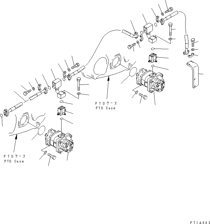
1
1
2
2
3
3
4
4
5
5
6
6
7
7
8
8
8
8
9
9
9
9
10
10
10
10
11
12
12
13
13
14
14
15
15
16
17
18
19
FIT
1:1
100%

Артикул

Название

Примечание

Количество

1

705-51-31060

PUMP ASS'Y

2

21T-60-67500

VALVE ASS'Y

3

07000-B3032

O-RING

4

21T-62-87151

TUBE

5

07000-B3035

O-RING

6

01011-81040

BOLT

7

01643-31032

WASHER

8

07371-31049

FLANGE

9

07372-21035

BOLT

10

01643-51032

WASHER

11

07296-01005

HOSE

12

07000-B3032

O-RING

13

01010-81240

BOLT

14

01643-31232

WASHER

15

07000-32125

O-RING

16

07371-31049

FLANGE

17

07372-21035

BOLT

18

01643-51032

WASHER

19

21T-62-68850

BRACKET

Выбрано товаров: 19