Запчасти Komatsu PC1800-6 ОХЛАЖД-Е (ВТОРИЧН. БАК)(№-999) СИСТЕМА ОХЛАЖДЕНИЯ

Схема запчастей Komatsu PC1800-6 - ОХЛАЖД-Е (ВТОРИЧН. БАК)(№-999) СИСТЕМА ОХЛАЖДЕНИЯ
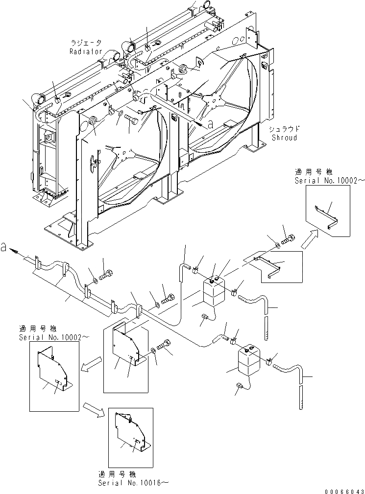
1
1
2
3
4
4
5
5
5
5
6
6
6
6
7
7
7
7A
7A
7A
8
8
9
9
10
10
11
12
13
13
14
14
15
15
16
16
17
17
18
18
19
19
FIT
1:1
100%

Артикул

Название

Примечание

Количество

1

21N-03-31490

TANK

2

21N-03-32360

CAP ASS'Y

3

21N-03-32350

CAP ASS'Y

|$7

ND071370-0190

SWITCH

4

08055-00282

CONNECTOR

5

209-03-71291

HOSE

6

07285-00110

CLIP

7

21T-03-67243

BRACKET

7

21T-03-67242

BRACKET

7

21T-03-67240

BRACKET

7A

205-03-71440

SHEET

7A

205-03-71440

SHEET

8

01010-81220

BOLT

9

01643-31232

WASHER

10

21T-03-67251

BAND

10

21T-03-67250

BAND

11

01010-80820

BOLT

12

01643-30823

WASHER

13

209-03-71291

HOSE

13

203-03-41262

HOSE

14

07285-00110

CLIP

15

04434-51312

CLIP

15

04434-51312

CLIP

16

04435-51312

CLIP

16

04435-51312

CLIP

17

01010-81220

BOLT

18

01643-31232

WASHER

19

08037-03620

GROMMET

19

08037-03620

GROMMET

Выбрано товаров: 29