Запчасти Komatsu PC1800-6 УПРАВЛ-Е СТОЙКА (ПАНЕЛЬ)(№-999) КАБИНА ОПЕРАТОРА И СИСТЕМА УПРАВЛЕНИЯ

Схема запчастей Komatsu PC1800-6 - УПРАВЛ-Е СТОЙКА (ПАНЕЛЬ)(№-999) КАБИНА ОПЕРАТОРА И СИСТЕМА УПРАВЛЕНИЯ
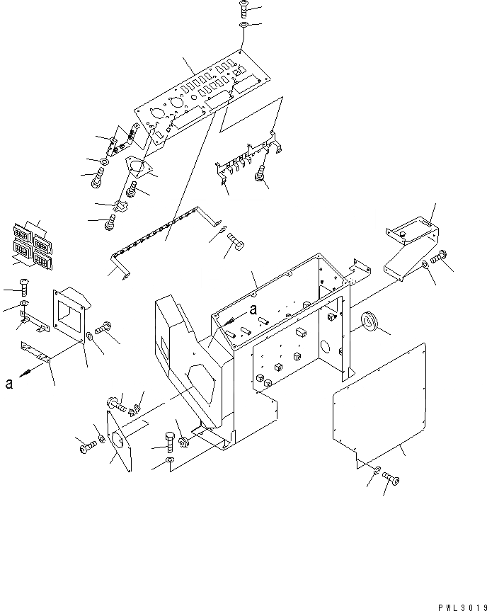
1
2
3
4
5
6
7
8
9
10
11
12
13
14
15
16
17
17
18
19
20
21
22
23
23
24
25
26
27
28
29
30
31
32
33
34
35
36
37
38
FIT
1:1
100%

Артикул

Название

Примечание

Количество

1

21T-43-67173

BOX

2

01010-D1225

BOLT

2

01010-81225

BOLT

3

01643-71232

WASHER

3

01643-31232

WASHER

4

21T-43-67230

COVER,R.H.

5

195-Z11-1720

SCREW

6

205-43-73420

WASHER

7

201-43-28440

GROMMET

8

08037-05016

GROMMET

9

21T-43-67451

COVER

10

195-Z11-1720

SCREW

11

205-43-73420

WASHER

12

21T-43-67220

BRACKET

13

195-Z11-1720

SCREW

14

205-43-73420

WASHER

15

20Y-06-23521

LOCK

16

01435-00820

BOLT

17

21T-43-67352

BRACKET

18

21T-43-67521

PLATE

19

198-911-3430

SCREW

20

198-911-3160

WASHER

21

01010-80610

BOLT

22

01643-30623

WASHER

23

142-979-3221

GRILLE ASS'Y

24

21T-43-67183

PANEL

25

195-Z11-1720

SCREW

26

205-43-73420

WASHER

27

21T-43-67432

STAY

28

01023-10510

SCREW

29

21T-43-67730

PLATE

30

01023-10510

SCREW

31

20Y-06-23760

BRACKET

32

01023-10510

SCREW

33

21T-43-67740

BRACKET

34

01010-81020

BOLT

35

01643-31032

WASHER

36

21T-43-67750

BRACKET

37

01010-80620

BOLT

38

01643-30623

WASHER

Выбрано товаров: 40