Запчасти Komatsu PC1800-6 ЭЛЕКТРИКА (КАБИНА ОСНОВ.)(№9-999) ЭЛЕКТРИКА

Схема запчастей Komatsu PC1800-6 - ЭЛЕКТРИКА (КАБИНА ОСНОВ.)(№9-999) ЭЛЕКТРИКА
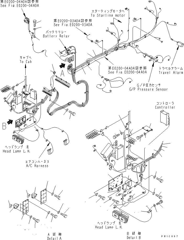
1
2
3
4
5
6
7
8
9
10
10
11
11
12
12
13
14
15
15
16
16
17
17
18
18
19
19
20
20
21
21
22
22
23
24
25
26
27
28
28
29
30
30
31
31
32
32
33
33
33
34
34
34
FIT
1:1
100%

Артикул

Название

Примечание

Количество

1

21T-06-67821

BRACKET

2

01010-81225

BOLT

3

01643-31232

WASHER

4

6211-81-8120

AMPLIFIER

5

01010-80816

BOLT

6

01643-30823

WASHER

7

209-06-62421

TIMER

8

01010-80612

BOLT

9

01643-30623

WASHER

10

21T-06-67850

WIRING HARNESS

11

21T-06-67860

WIRING HARNESS

12

21T-06-67524

WIRING HARNESS

13

01010-81020

BOLT

14

01643-31032

WASHER

15

21T-06-67980

PLATE

16

01010-81025

BOLT

17

01643-31032

WASHER

18

21T-06-68290

BREAKER

18

421-06-11440

BREAKER

19

01010-80616

BOLT

20

01643-30623

WASHER

21

08038-00519

CAP

22

21T-06-68410

BRACKET

23

01010-81025

BOLT

24

01643-31032

WASHER

25

04434-51610

CLIP

26

01010-81020

BOLT

27

01643-31032

WASHER

28

21T-06-68391

WIRING HARNESS

29

21T-06-71870

GROMMET

30

21T-06-67543

WIRING HARNESS

31

08053-00912

CLIP

32

08053-01512

CLIP

33

01010-81225

BOLT

34

01643-31232

WASHER

Выбрано товаров: 35