Запчасти Komatsu PC180LC-5K ЭЛЕКТРИКА (КОРПУС КОНТРОЛЛЕРА) КОМПОНЕНТЫ ДВИГАТЕЛЯ И ЭЛЕКТРИКА

Схема запчастей Komatsu PC180LC-5K - ЭЛЕКТРИКА (КОРПУС КОНТРОЛЛЕРА) КОМПОНЕНТЫ ДВИГАТЕЛЯ И ЭЛЕКТРИКА
FIT
1:1
100%

Артикул

Название

Примечание

Количество

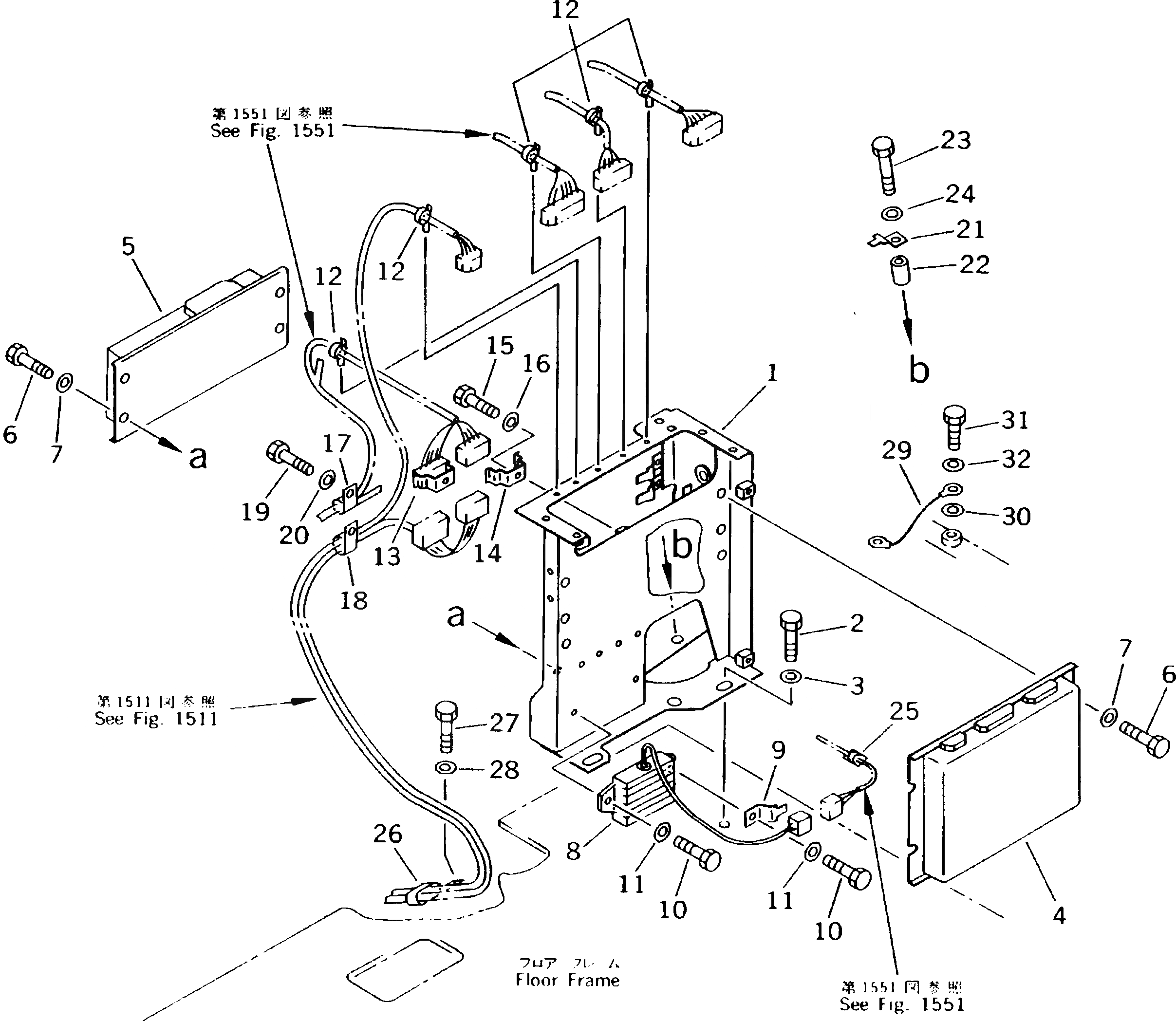
1

20Y-06-K1121

BRACKET

2

01010-51225

BOLT

3

01643-31232

WASHER

4

7824-11-3000

CONTROL BOX ASS'Y,PUMP

5

7824-30-6100

CONTROL BOX ASS'Y,GOVERNOR

6

01010-51020

BOLT

7

01643-31032

WASHER

8

7824-10-2400

RESISTOR

9

08053-01512

CLIP

10

01010-50816

BOLT

11

01643-30823

WASHER

12

20Y-06-16250

CLIP

13

08053-16212

CLIP

14

08053-15012

CLIP

15

01010-50816

BOLT

16

01643-30823

WASHER

17

08035-02514

CLIP

18

203-06-56390

CLIP

19

01010-51220

BOLT

20

01643-31232

WASHER

21

08053-01512

CLIP

22

113-03-21170

SPACER

23

01010-51050

BOLT

24

01643-31032

WASHER

25

08051-00801

CLIP

26

203-06-56390

CLIP

27

01010-51020

BOLT

28

01643-31032

WASHER

29

20Y-06-11940

WIRING HARNESS,CAB EARTH

30

01605-10818

WASHER

31

01010-50816

BOLT

32

01643-30823

WASHER

Выбрано товаров: 32