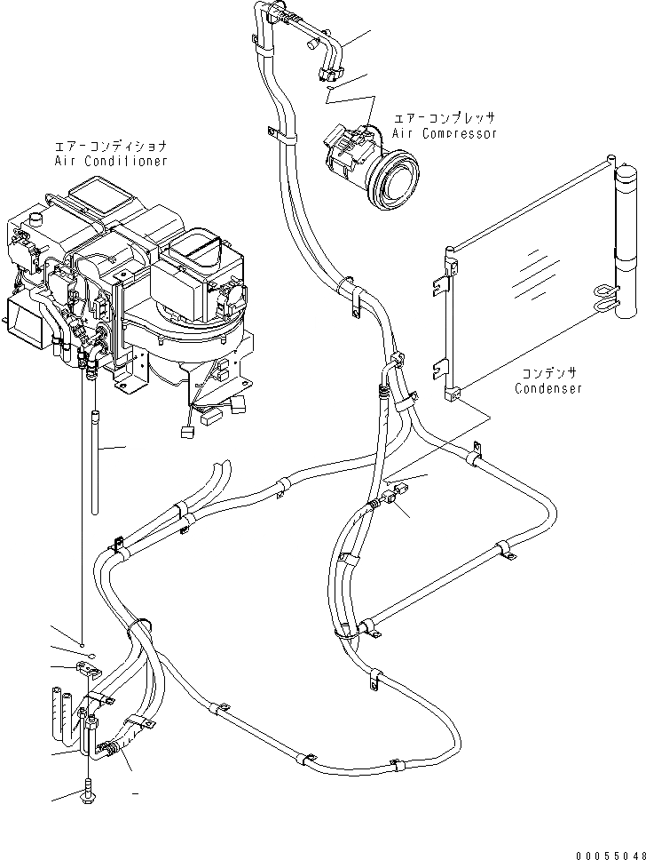
Запчасти Komatsu PC180LC-7-E0 ОСНОВН. КОНСТРУКЦИЯ (КАБИНА) (ПАТРУБКИ КОНДИЦИОНЕРА) КАБИНА ОПЕРАТОРА И СИСТЕМА УПРАВЛЕНИЯ

Схема запчастей Komatsu PC180LC-7-E0 - ОСНОВН. КОНСТРУКЦИЯ (КАБИНА) (ПАТРУБКИ КОНДИЦИОНЕРА) КАБИНА ОПЕРАТОРА И СИСТЕМА УПРАВЛЕНИЯ
1
2
2
3
3
4
4
5
5
6
7
FIT
1:1
100%

Артикул

Название

Примечание

Количество

1

208-979-7640

HOSE

2

21K-979-7451

HOSE ASS'Y

3

20Y-979-3130

O-RING

4

21K-979-7441

HOSE ASS'Y

5

20Y-979-3150

O-RING

6

208-979-7650

CONNECTOR

7

01435-40620

BOLT

Выбрано товаров: 7