Запчасти Komatsu PC180LC-7-E0 ТОПЛИВН. ЛИНИЯ (ТОПЛИВН. ПОДАЮЩ. ТРУБЫ) ТОПЛИВН. БАК. AND КОМПОНЕНТЫ

Схема запчастей Komatsu PC180LC-7-E0 - ТОПЛИВН. ЛИНИЯ (ТОПЛИВН. ПОДАЮЩ. ТРУБЫ) ТОПЛИВН. БАК. AND КОМПОНЕНТЫ
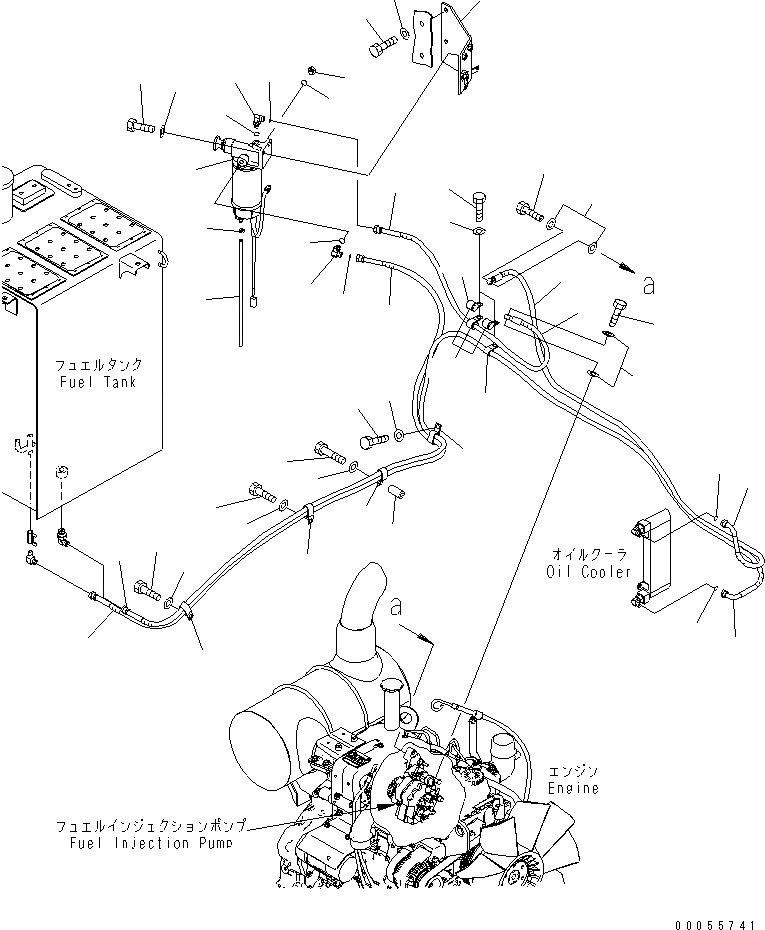
1
1
2
2
3
3
4
4
5
5
6
6
7
7
8
9
10
11
12
13
14
15
15
16
16
17
17
18
19
20
21
22
23
24
25
26
27
28
28
29
29
30
30
31
32
33
34
35
FIT
1:1
100%

Артикул

Название

Примечание

Количество

1

02762-00326

HOSE

2

02763-00338

HOSE

3

02896-11009

O-RING

4

07206-30812

BOLT

5

07005-01212

GASKET

6

21K-04-73221

HOSE

7

21K-04-73231

HOSE

8

04435-51912

CLIP

9

01010-81225

BOLT

10

01643-31232

WASHER

11

04435-51912

CLIP

12

154-979-1480

COLLAR

13

01010-81275

BOLT

14

01643-31232

WASHER

15

04435-51912

CLIP

16

01010-81225

BOLT

17

01643-31232

WASHER

18

04434-52112

CLIP

19

198-06-53550

CUSHION

20

04434-51612

CLIP

21

01010-81225

BOLT

22

01643-31232

WASHER

23

6754-71-7401

FILTER ASS'Y

24

07372-21235

BOLT

25

01643-51232

WASHER

26

07270-00842

TUBE

27

07285-00100

CLIP

28

02782-10311

ELBOW

29

02896-11009

O-RING

30

07002-11423

O-RING

31

07040-11409

PLUG

32

07002-11423

O-RING

33

21K-04-73120

BRACKET

34

01010-81225

BOLT

35

01643-31232

WASHER

Выбрано товаров: 0