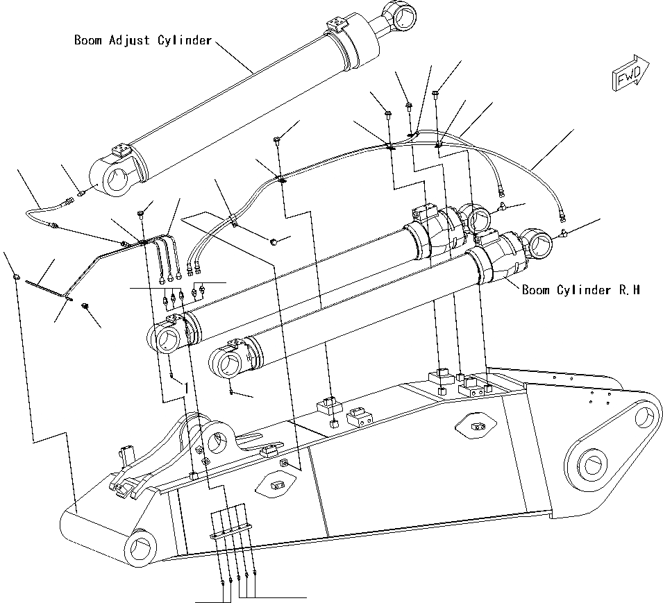
Запчасти Komatsu PC180LC-7-E0 2-СЕКЦИОНН. СТРЕЛА (1-Я СТРЕЛА СИСТЕМА СМАЗКИ) РАБОЧЕЕ ОБОРУДОВАНИЕ

Схема запчастей Komatsu PC180LC-7-E0 - 2-СЕКЦИОНН. СТРЕЛА (1-Я СТРЕЛА СИСТЕМА СМАЗКИ) РАБОЧЕЕ ОБОРУДОВАНИЕ
3
2
21
20
8
14
4
18
21
19
16
1
10
10
12
11
10
11
14
13
9
13
6
7
5
5
15
17
FIT
1:1
100%

Артикул

Название

Примечание

Количество

1

07020-00000

FITTING

2

205-70-51390

NIPPLE

3

20Y-70-K8010

HOSE

4

21K-70-K1020

TUBE

5

205-70-51380

ELBOW

6

21K-62-K1680

HOSE

7

21K-62-K1690

HOSE

8

04435-51212

CLIP

|8

04434-51812

CLIP

|8

04434-51212

CLIP

9

01024-81225

BOLT SEM

10

04435-51212

CLIP

11

01024-81225

BOLT SEM

12

01024-81220

BOLT SEM

13

04434-51212

CLIP

14

01024-81225

BOLT SEM

15

07020-00000

FITTING

16

205-70-51390

NIPPLE

17

07020-00000

FITTING

18

20Y-70-11540

NIPPLE

19

21K-62-K1650

TUBE

20

21K-62-K1660

TUBE

21

20Y-70-11590

ELBOW

Выбрано товаров: 23