Качественные детали и логистика
Оригинальные и аналоговые запчасти с доставкой по России, Казахстану и Беларуси
©2022 PartSell ООО "Система" ИНН 2463123282 ОГРН 1212400004838
Центральный офис: г. Красноярск, Академика Киренского, д.87, пом.4
Телефон: 8 (800) 777-65-74 Email: zakaz@partsell.ru
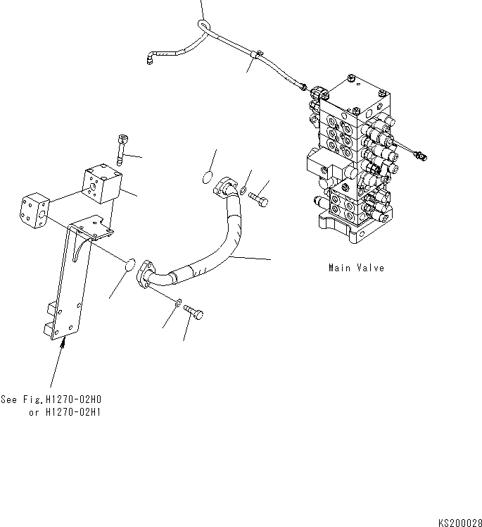
НАВЕСНОЕ ОБОРУД-Е ( АКТУАТОР) (ВОЗВРАТ. ЛИНИЯ)
№
Артикул
Название
Примечание
Количество
1
21K-62-73360
HOSE¤ 660MM
2
07000-13038
O-RING
3
01010-81035
BOLT
4
01643-31032
WASHER
5
01010-81075
6
7
21K-62-76180
HOSE
8
04434-52711
CLIP
9
21P-970-K233
VALVE
10
21P-970-K530
Выбрано товаров: 0