Запчасти Komatsu PC180LC-7-E0 СОЛЕНОИДНЫЙ КЛАПАН (СОЛЕНОИДНЫЙ КЛАПАН ЛИНИЯ) ГИДРАВЛИКА

Схема запчастей Komatsu PC180LC-7-E0 - СОЛЕНОИДНЫЙ КЛАПАН (СОЛЕНОИДНЫЙ КЛАПАН ЛИНИЯ) ГИДРАВЛИКА
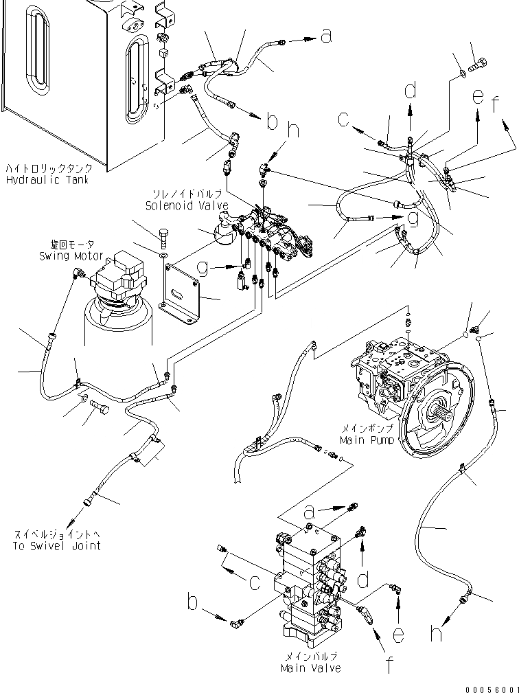
1
2
2
3
4
4
5
5
6
6
7
7
8
8
9
10
10
11
12
12
13
14
14
15
16
17
18
19
20
21
22
23
24
25
26
27
28
29
30
31
32
33
34
35
FIT
1:1
100%

Артикул

Название

Примечание

Количество

1

21K-62-75280

HOSE¤ 1100MM

2

20Y-62-22810

BAND¤ YELLOW

3

21K-62-75260

HOSE¤ 1000MM

4

20Y-62-22820

BAND¤ BLUE

5

21K-62-75270

HOSE¤ 1100MM

6

21K-62-75930

HOSE¤ 1150MM

7

20Y-62-22850

BAND¤ GREEN

8

20Y-62-22860

BAND¤ BROWN

9

20Y-62-51850

HOSE

10

20Y-62-22790

BAND¤ RED

11

21K-62-75220

HOSE¤ 550MM

12

20Y-62-22790

BAND¤ RED

13

208-62-72180

HOSE¤ 950MM

14

20Y-62-22830

BAND¤ WHITE

15

207-62-72620

HOSE¤ 600MM

16

21K-62-72111

BRACKET

17

02782-10210

ELBOW

18

02896-11008

O-RING

19

07002-11423

O-RING

20

04434-51012

CLIP

21

04434-51012

CLIP

22

01010-81225

BOLT

23

01643-31232

WASHER

24

04434-52712

CLIP

25

01010-81225

BOLT

26

01643-31232

WASHER

27

08034-20834

BAND

28

04434-51012

CLIP

29

08034-20834

BAND

30

21K-62-75240

HOSE¤ 800MM

31

208-62-72590

HOSE¤ 700MM

32

08034-20834

BAND

33

01010-81225

BOLT

34

01643-31232

WASHER

35

09659-A057A

PLATE¤ SAFETY,(JAPANESE)

|35

09659-A057B

PLATE¤ SAFETY,(ENGLISH¤ PICTORIAL)

|35

09659-53000

PLATE¤ SAFETY,(ENGLISH¤ LETTERING)

Выбрано товаров: 37