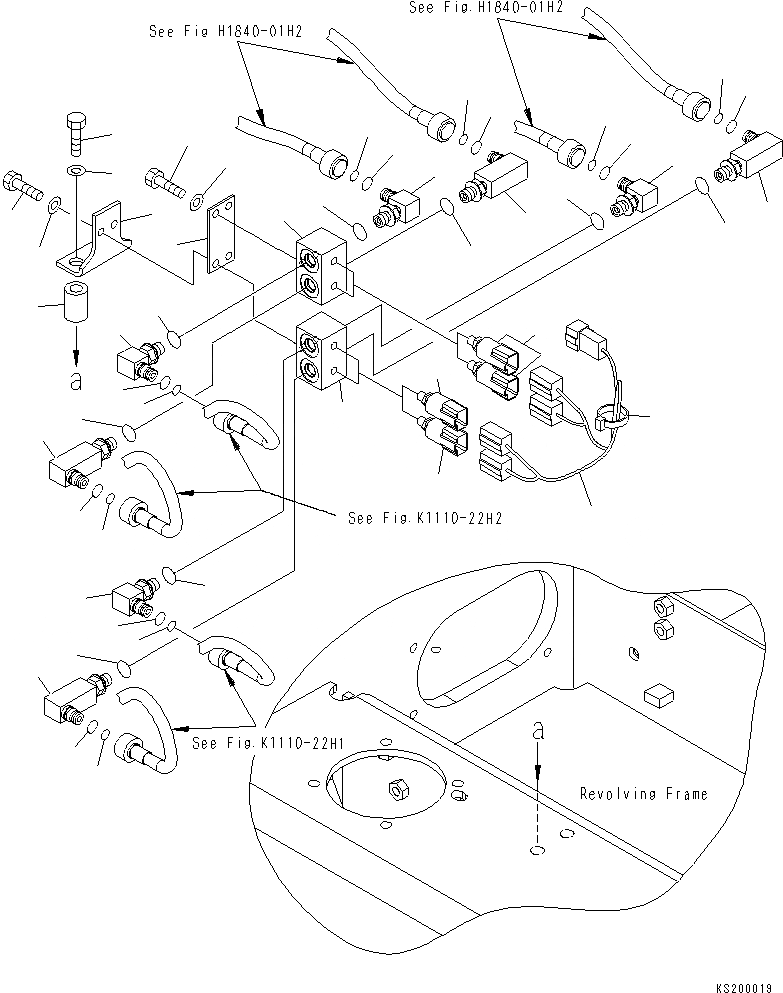
Запчасти Komatsu PC180LC-7-E0 ОСНОВН. КЛАПАН PPC ЛИНИЯ ( АКТУАТОР) (НАВЕСН. ОБОРУД PPC БЛОК) (ДЛЯ - ЧАСТИ СТРЕЛА) ГИДРАВЛИКА

Схема запчастей Komatsu PC180LC-7-E0 - ОСНОВН. КЛАПАН PPC ЛИНИЯ ( АКТУАТОР) (НАВЕСН. ОБОРУД PPC БЛОК) (ДЛЯ - ЧАСТИ СТРЕЛА) ГИДРАВЛИКА
6
7
4
13
16
8
1
3
2
6
7
5
16
14
15
13
11
10
14
15
13
10
11
9
12
16
9
12
17
19
18
17
17
5
15
14
12
9
11
10
13
15
14
12
9
11
10
16
FIT
1:1
100%

Артикул

Название

Примечание

Количество

1

20Y-62-43440

BRACKET

2

01010-81260

BOLT

3

01643-31232

WASHER

4

20Y-03-11220

COLLAR

5

20Y-62-43430

BLOCK

6

01010-80820

BOLT

7

01643-30823

WASHER

8

20Y-62-43450

PLATE

9

14X-43-14840

ELBOW

10

201-60-11390

O-RING

11

20Y-62-19560

O-RING

12

07002-11423

O-RING

13

20Y-62-22271

ELBOW

14

201-60-11390

O-RING

15

20Y-62-19560

O-RING

16

07002-11423

O-RING

17

206-06-61130

SWITCH

18

20Y-06-22430

WIRING HARNESS

19

08034-20834

BAND

Выбрано товаров: 19