Запчасти Komatsu PC180LC-7K ОСНОВН. КЛАПАН PPC ЛИНИЯ ( АКТУАТОР) (НАВЕСН.ОБОРУД. PPC БЛОК) ГИДРАВЛИКА

Схема запчастей Komatsu PC180LC-7K - ОСНОВН. КЛАПАН PPC ЛИНИЯ ( АКТУАТОР) (НАВЕСН.ОБОРУД. PPC БЛОК) ГИДРАВЛИКА
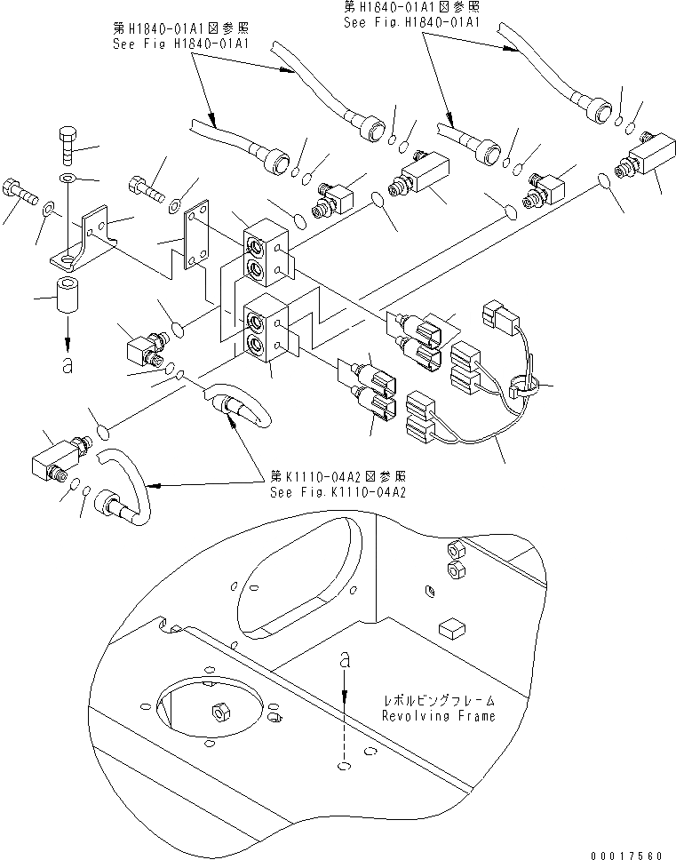
1
2
3
4
5
5
6
6
7
7
8
9
9
9
10
10
10
11
11
11
12
12
12
13
13
13
14
14
14
15
15
15
16
16
16
17
17
17
18
19
FIT
1:1
100%

Артикул

Название

Примечание

Количество

1

20Y-62-43440

BRACKET

2

01010-81260

BOLT

3

01643-31232

WASHER

4

20Y-03-11220

COLLAR

5

20Y-62-43430

BLOCK

6

01010-80820

BOLT

7

01643-30823

WASHER

8

20Y-62-43450

PLATE

9

14X-43-14840

ELBOW

10

201-60-11390

O-RING

11

20Y-62-19560

O-RING

12

07002-11423

O-RING

13

20Y-62-22271

ELBOW

14

201-60-11390

O-RING

15

20Y-62-19560

O-RING

16

07002-11423

O-RING

17

206-06-61130

SWITCH

18

20Y-06-22430

WIRING HARNESS

19

08034-20834

BAND

Выбрано товаров: 19