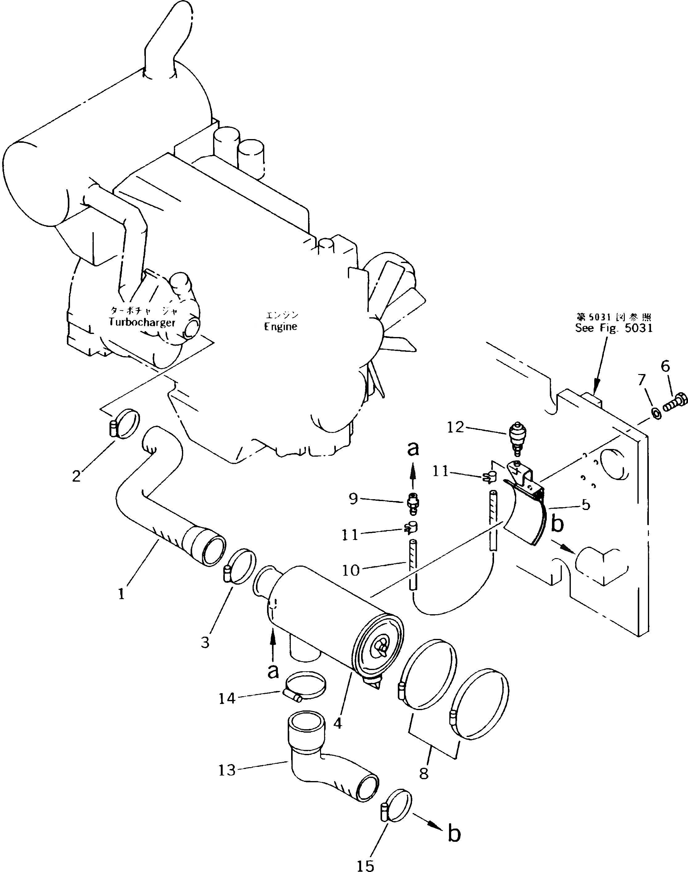
Запчасти Komatsu PC180NLC-5K ВОЗДУХООЧИСТИТЕЛЬ И КРЕПЛЕНИЕ КОМПОНЕНТЫ ДВИГАТЕЛЯ И ЭЛЕКТРИКА

Схема запчастей Komatsu PC180NLC-5K - ВОЗДУХООЧИСТИТЕЛЬ И КРЕПЛЕНИЕ КОМПОНЕНТЫ ДВИГАТЕЛЯ И ЭЛЕКТРИКА
FIT
1:1
100%

Артикул

Название

Примечание

Количество

1

21P-01-K1110

HOSE

2

07281-00909

CLAMP

3

07281-01029

CLAMP

4

203-01-K1300

AIR CLEANER ASS'Y

|4

203-01-K1130

ELEMENT

|4

203-01-K1290

ELEMENT

|4

203-01-K1310

NUT

|4

203-01-K1121

AIR CLEANER ASS'Y

|4

203-01-K1130

ELEMENT

5

203-01-K1140

BRACKET

6

01010-51020

BOLT

7

01643-31032

WASHER

8

07281-02169

CLAMP

9

203-01-K1150

NIPPLE

10

203-01-K1180

HOSE

11

07285-00095

CLIP

12

08670-02001

INDICATOR,DUST

13

21P-01-K1120

HOSE

14

07281-01159

CLAMP

15

07281-01029

CLAMP

Выбрано товаров: 20