Запчасти Komatsu PC180NLC-6K ЛИНИЯ ХОДА(№K-K999) ГИДРАВЛИКА

Схема запчастей Komatsu PC180NLC-6K - ЛИНИЯ ХОДА(№K-K999) ГИДРАВЛИКА
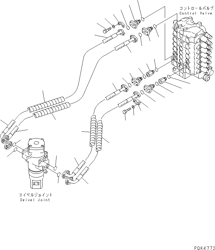
1
1
2
2
3
3
3
3
4
4
4
4
5
5
6
6
7
7
8A
8A
8B
8B
9A
9A
9B
9B
10
10
10
10
10
10
10
10
11
11
11
11
FIT
1:1
100%

Артикул

Название

Примечание

Количество

1

20E-62-K2180

ADAPTER

2

07002-12434

O-RING

3

21K-62-34310

FLANGE

4

07002-12434

O-RING

5

07371-30640

FLANGE,SPLIT

6

07372-21035

BOLT

7

01643-51032

WASHER

8A

07073-40609

HOSE

8B

21P-62-K4640

HOSE

9A

07073-40610

HOSE

9B

07073-40609

HOSE

10

07000-13025

O-RING

11

203-62-58650

COVER

Выбрано товаров: 0