Запчасти Komatsu PC180NLC-7-E0 ОСНОВН. КОНСТРУКЦИЯ (КАБИНА) (ПАНЕЛЬ) КАБИНА ОПЕРАТОРА И СИСТЕМА УПРАВЛЕНИЯ

Схема запчастей Komatsu PC180NLC-7-E0 - ОСНОВН. КОНСТРУКЦИЯ (КАБИНА) (ПАНЕЛЬ) КАБИНА ОПЕРАТОРА И СИСТЕМА УПРАВЛЕНИЯ
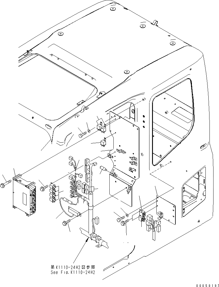
1
2
3
4
5
6
7
8
8
8
9
10
11
12
12
13
14
15
16
17
18
19
FIT
1:1
100%

Артикул

Название

Примечание

Количество

1

207-54-63240

PLATE

2

01010-80816

BOLT

3

01643-30823

WASHER

4

7880-70-600D

CONTROLLER

5

01435-00885

BOLT

6

7861-94-3000

RESISTOR

7

01435-00816

BOLT

8

569-06-61960

RELAY

9

569-06-61970

RELAY

10

01435-00610

BOLT

11

8233-06-3350

DIODE

12

08059-00413

CLIP

13

08034-20876

BAND

14

208-53-12880

BRACKET

15

01010-80816

BOLT

16

01643-30823

WASHER

17

198-911-9240

RELAY¤ 4-TERMINAL

18

20Y-979-6771

RELAY

19

01435-00610

BOLT

Выбрано товаров: 0