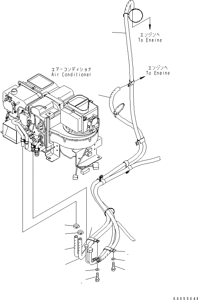
Запчасти Komatsu PC180NLC-7-E0 ОСНОВН. КОНСТРУКЦИЯ (КАБИНА) (ШЛАНГИ ОБОГРЕВАТЕЛЯ И КРЕПЛЕНИЕ) (С КОНДИЦИОНЕРОМ) КАБИНА ОПЕРАТОРА И СИСТЕМА УПРАВЛЕНИЯ

Схема запчастей Komatsu PC180NLC-7-E0 - ОСНОВН. КОНСТРУКЦИЯ (КАБИНА) (ШЛАНГИ ОБОГРЕВАТЕЛЯ И КРЕПЛЕНИЕ) (С КОНДИЦИОНЕРОМ) КАБИНА ОПЕРАТОРА И СИСТЕМА УПРАВЛЕНИЯ
1
1
2
2
3
4
5
6
7
8
9
10
FIT
1:1
100%

Артикул

Название

Примечание

Количество

1

21K-979-7470

HOSE ASS'Y

2

09479-02400

CLAMP

3

21K-979-7461

HOSE ASS'Y

4

09479-02400

CLAMP

5

04434-52511

CLIP

6

01010-81020

BOLT

7

01643-31032

WASHER

8

141-06-11220

CLIP

9

01010-81016

BOLT

10

01643-31032

WASHER

Выбрано товаров: 10