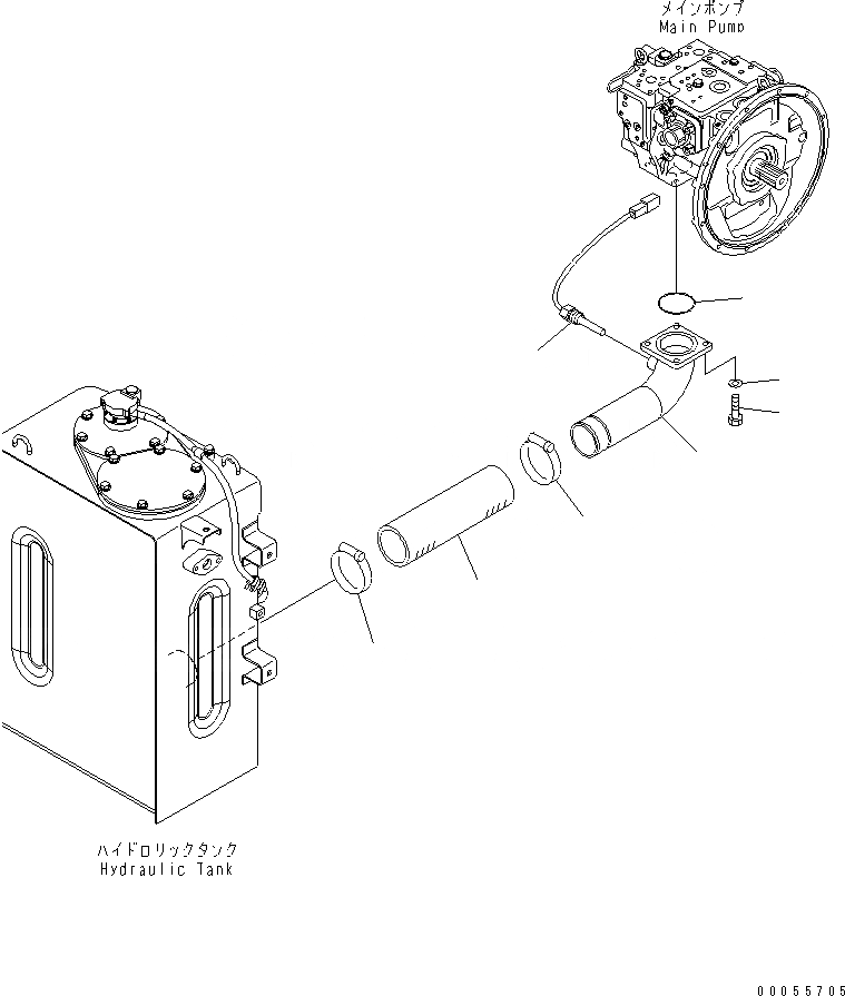
Запчасти Komatsu PC180NLC-7-E0 ВСАСЫВ. ЛИНИЯ ГИДРАВЛИКА

Схема запчастей Komatsu PC180NLC-7-E0 - ВСАСЫВ. ЛИНИЯ ГИДРАВЛИКА
1
2
3
4
5
5
6
7
FIT
1:1
100%

Артикул

Название

Примечание

Количество

1

21K-62-71111

TUBE

2

07000-12100

O-RING

3

7861-93-3320

SENSOR

4

07260-08732

HOSE

5

20Y-62-51671

CLAMP

6

01010-81235

BOLT

7

01643-31232

WASHER

Выбрано товаров: 7