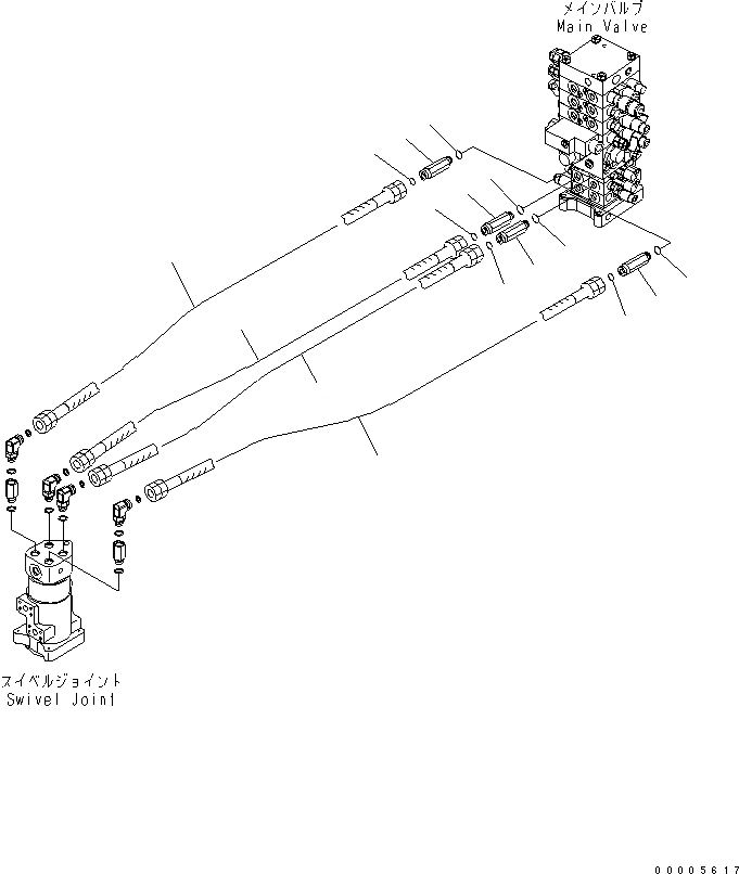
Запчасти Komatsu PC180NLC-7K ЛИНИЯ ХОДА ГИДРАВЛИКА

Схема запчастей Komatsu PC180NLC-7K - ЛИНИЯ ХОДА ГИДРАВЛИКА
1
1
1
1
2
2
2
2
3
3
3
3
4
4
5
5
FIT
1:1
100%

Артикул

Название

Примечание

Количество

1

21K-62-71290

NIPPLE

2

02896-61018

O-RING

3

07002-62434

O-RING

4

02756-006A7

HOSE

5

02756-00608

HOSE

Выбрано товаров: 5