Запчасти Komatsu PC18MR-2 ГИДРОМОЛОТ РУКОЯТЬ (КОМПОНЕНТЫ) РАБОЧЕЕ ОБОРУДОВАНИЕ

Схема запчастей Komatsu PC18MR-2 - ГИДРОМОЛОТ РУКОЯТЬ (КОМПОНЕНТЫ) РАБОЧЕЕ ОБОРУДОВАНИЕ
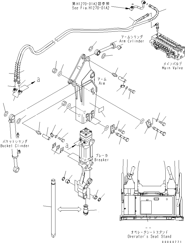
1
2
2
3
3
4
4
5
5
6
6
6
6
7
8
8
9
9
10
10
11
12
12
13
13
14
14
15
16
16
17
17
18
18
18
18
19
19
20
20
21
21
22
23
FIT
1:1
100%

Артикул

Название

Примечание

Количество

1

22J-970-2730

PLUG

2

07144-10303

BUSHING

3

07145-00030

SEAL,DUST

4

20M-970-7222

BOLT

5

01582-12419

NUT

6

01643-32460

WASHER

7

20M-970-7920

SHIM, 1.0MM

7

20M-970-7930

SHIM, 2.0MM

7

20M-970-7940

SHIM, 3.0MM

8

20M-970-7850

PLATE

9

01010-81020

BOLT

10

01643-31032

WASHER

11

21N-64-36520

ELBOW

12

02896-11012

O-RING

13

22J-970-2840

HOSE

14

22J-970-2850

HOSE

15

22J-970-2720

CHISEL

16

22J-70-16230

PIN

17

07020-00000

FITTING,GREASE

18

20N-70-11280

SPACER, 1.0MM

19

04082-00110

LOCK

20

01010-81020

BOLT

21

01643-31032

WASHER

22

22J-98-25810

OIL CHART

23

22J-98-25830

PLATE, CAUTION

Выбрано товаров: 25