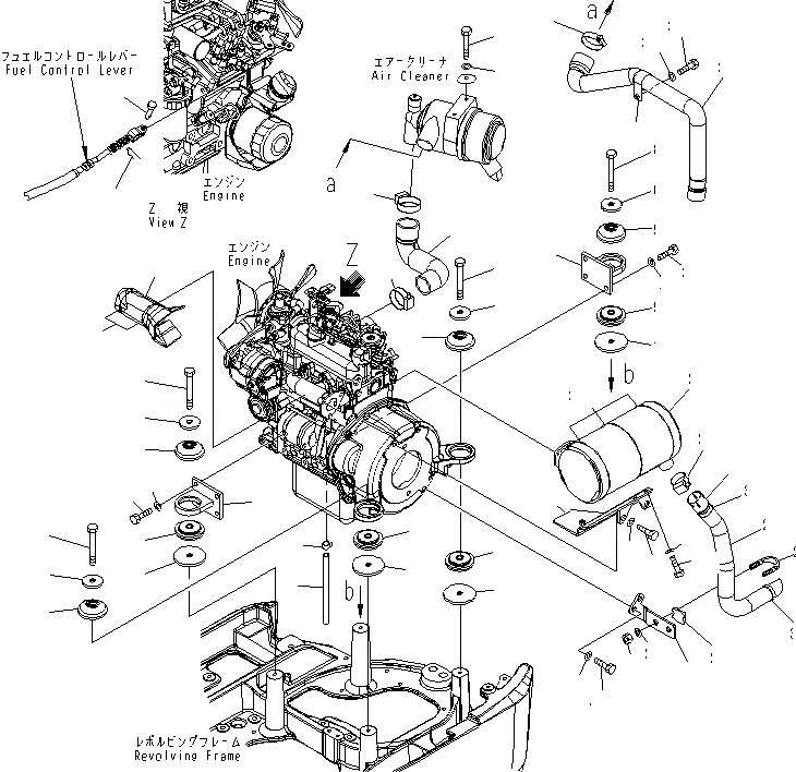
Запчасти Komatsu PC18MR-2 КРЕПЛЕНИЕ ДВИГАТЕЛЯ КОМПОНЕНТЫ ДВИГАТЕЛЯ

Схема запчастей Komatsu PC18MR-2 - КРЕПЛЕНИЕ ДВИГАТЕЛЯ КОМПОНЕНТЫ ДВИГАТЕЛЯ
1
2
3
3
4
4
5
5
5
5
5
5
5
5
6
6
6
6
7
7
7
7
8
8
8
8
9
10
11
12
13
14
15
16
17
18
19
20
21
22
23
24
25
26
27
28
29
30
30
30
30
31
32
33
34
34
35
36
37
38
39
FIT
1:1
100%

Артикул

Название

Примечание

Количество

1

22J-01-25213

BRACKET

2

22J-01-25223

BRACKET

3

22J-01-25340

BOLT

4

01643-31032

WASHER

5

22L-01-27131

CUSHION

5

22J-01-25270

CUSHION

6

21U-01-31221

WASHER

7

22L-01-27140

WASHER

8

01010-81090

BOLT

9

07270-01217

TUBE

10

07285-00130

CLIP

11

04205-10616

PIN

12

04052-20633

PIN,SNAP

13

22J-01-25292

BRACKET

14

01010-81020

BOLT

15

01643-31032

WASHER

16

01010-80816

BOLT

17

01643-30823

WASHER

18

22J-01-25252

PIPE,EXHAUST

19

22J-01-25261

BRACKET

20

01010-81020

BOLT

21

01643-31032

WASHER

22

07283-33442

CLIP

23

07283-53444

SEAT

24

01597-01009

NUT

25

01643-31032

WASHER

26

07289-00035

CLAMP

27

22J-01-25310

SLEEVE

28

22J-01-25321

SHEET

29

22J-01-25330

SHEET

30

FF7817-02420

WIRE

31

01010-80840

BOLT

32

01643-30823

WASHER

33

22J-02-25121

HOSE

34

07289-00055

CLAMP

35

22J-02-25131

HOSE

36

07281-00549

CLAMP

37

155-61-15350

CLIP

38

01010-81020

BOLT

39

01643-31032

WASHER

Выбрано товаров: 40