Запчасти Komatsu PC18MR-2 ПОВОРОТН. БЛОК ОСНОВНАЯ РАМА И ЕЕ ЧАСТИ

Схема запчастей Komatsu PC18MR-2 - ПОВОРОТН. БЛОК ОСНОВНАЯ РАМА И ЕЕ ЧАСТИ
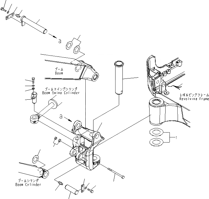
1
2
3
4
5
6
7
8
9
10
11
12
13
14
15
16
17
18
19
20
21
FIT
1:1
100%

Артикул

Название

Примечание

Количество

1

22J-70-25411

BRACKET

2

22J-70-25420

PIN

3

01011-81050

BOLT

4

01580-11008

NUT

5

22J-70-25460

SPACER, 0.5MM

5

22J-70-25470

SPACER, 0.8MM

6

22J-70-25431

PIN

7

07020-00000

FITTING,GREASE

8

20M-70-61120

PLATE

9

01010-81025

BOLT

10

01643-31032

WASHER

11

20N-70-41270

SPACER, 1.0MM

11

22J-70-16490

SPACER, 0.5MM

12

22J-70-25291

PIN

13

07020-00000

FITTING,GREASE

14

04082-00110

LOCK

15

01010-81020

BOLT

16

01643-31032

WASHER

17

20N-70-41270

SPACER, 1.0MM

18

22J-70-25451

PIN

19

22J-70-11550

COLLAR

20

01010-81020

BOLT

21

01643-31032

WASHER

Выбрано товаров: 23