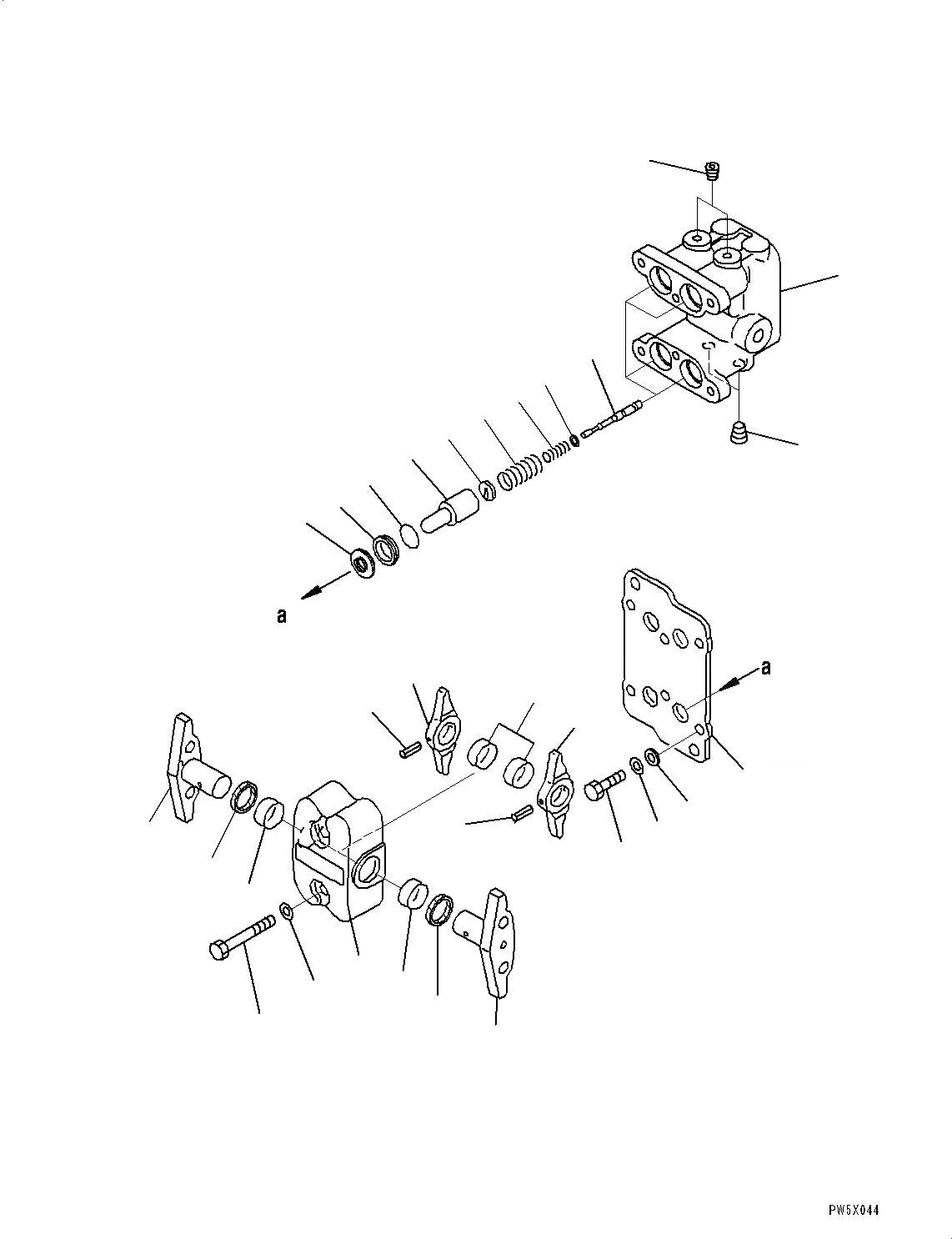
Запчасти Komatsu PC18MR-3 ОСНОВН. КОНСТРУКЦИЯ, КЛАПАН PPCДЛЯ ХОД (№-987) ОСНОВН. КОНСТРУКЦИЯ, С МАСТЕР КЛЮЧ, ДЛЯ СЕВ. АМЕРИКИ

Схема запчастей Komatsu PC18MR-3 - ОСНОВН. КОНСТРУКЦИЯ, КЛАПАН PPCДЛЯ ХОД (№-987) ОСНОВН. КОНСТРУКЦИЯ, С МАСТЕР КЛЮЧ, ДЛЯ СЕВ. АМЕРИКИ
2
3
4
5
6
7
8
10
14
9
12
12
21
19
21
19
18
18
11
15
16
17
19
13
13
1
23
20
22
24
FIT
1:1
100%

Артикул

Название

Примечание

Количество

|$0

702-16-01950

Valve Assembly, Pilot

1

Body, Valve

2

Valve

3

702-16-51140

Shim, T=0.30mm

4

702-16-57960

Spring

5

702-16-57970

Retainer

6

702-16-55630

Spring

7

702-16-53170

Piston

8

702-16-51270

Seal

9

07000-12020

O-ring

10

702-16-54170

Collar

11

Case

12

Lever

13

Shaft

14

Plate

15

01010-80855

Bolt

16

01643-30823

Washer

17

01010-80816

Bolt

18

04025-00432

Pin, Spring

19

702-16-54430

Bushing

20

702-16-54331

Washer, T=1.60mm

20

702-16-54341

Washer, T=1.30mm

20

702-16-54351

Washer, T=1.00mm

21

Seal, Dust

22

Plug

23

Plug

24

702-16-57950

Washer, T=1.90mm

Выбрано товаров: 0