Запчасти Komatsu PC18MR-3 ОСНОВН. КОНСТРУКЦИЯ, МОТОР ХОДА ТРУБЫ (№-) ОСНОВН. КОНСТРУКЦИЯ, С МАСТЕР КЛЮЧ, ДЛЯ -ДОПОЛН. АКТУАТОР ТРУБЫ, СЕВ. АМЕРИКА

Схема запчастей Komatsu PC18MR-3 - ОСНОВН. КОНСТРУКЦИЯ, МОТОР ХОДА ТРУБЫ (№-) ОСНОВН. КОНСТРУКЦИЯ, С МАСТЕР КЛЮЧ, ДЛЯ -ДОПОЛН. АКТУАТОР ТРУБЫ, СЕВ. АМЕРИКА
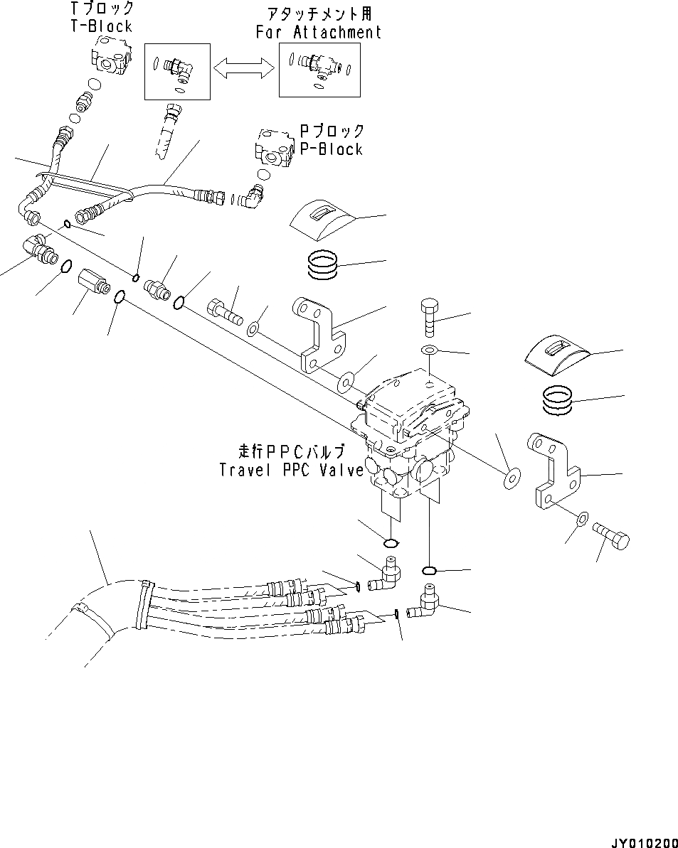
1
2
4
6
7
8
14
17
18
14
8
15
13
10
11
12
13
15
16
17
18
22
11
10
12
3
5
9
20
21
16
19
FIT
1:1
100%

Артикул

Название

Примечание

Количество

1

01010-81025

Bolt

2

01643-31032

Washer

3

11Y-62-12140

Nipple

4

07000-12011

O-ring

5

02896-11008

O-ring

6

21W-62-43970

Elbow

7

20T-910-8660

Nipple

8

07000-12011

O-ring

9

02896-11008

O-ring

10

21K-62-73110

Elbow

11

02896-11008

O-ring

12

07000-12011

O-ring

13

22J-43-26120

Plate

14

20Y-43-21260

Collar

15

203-43-51620

Spring

16

20Y-43-21140

Cover

17

01010-81030

Bolt

18

01643-31032

Washer

19

22F-62-33410

Hose

20

22M-62-23160

Hose

21

08034-20519

Band

22

22J-62-26971

Hose

Выбрано товаров: 22