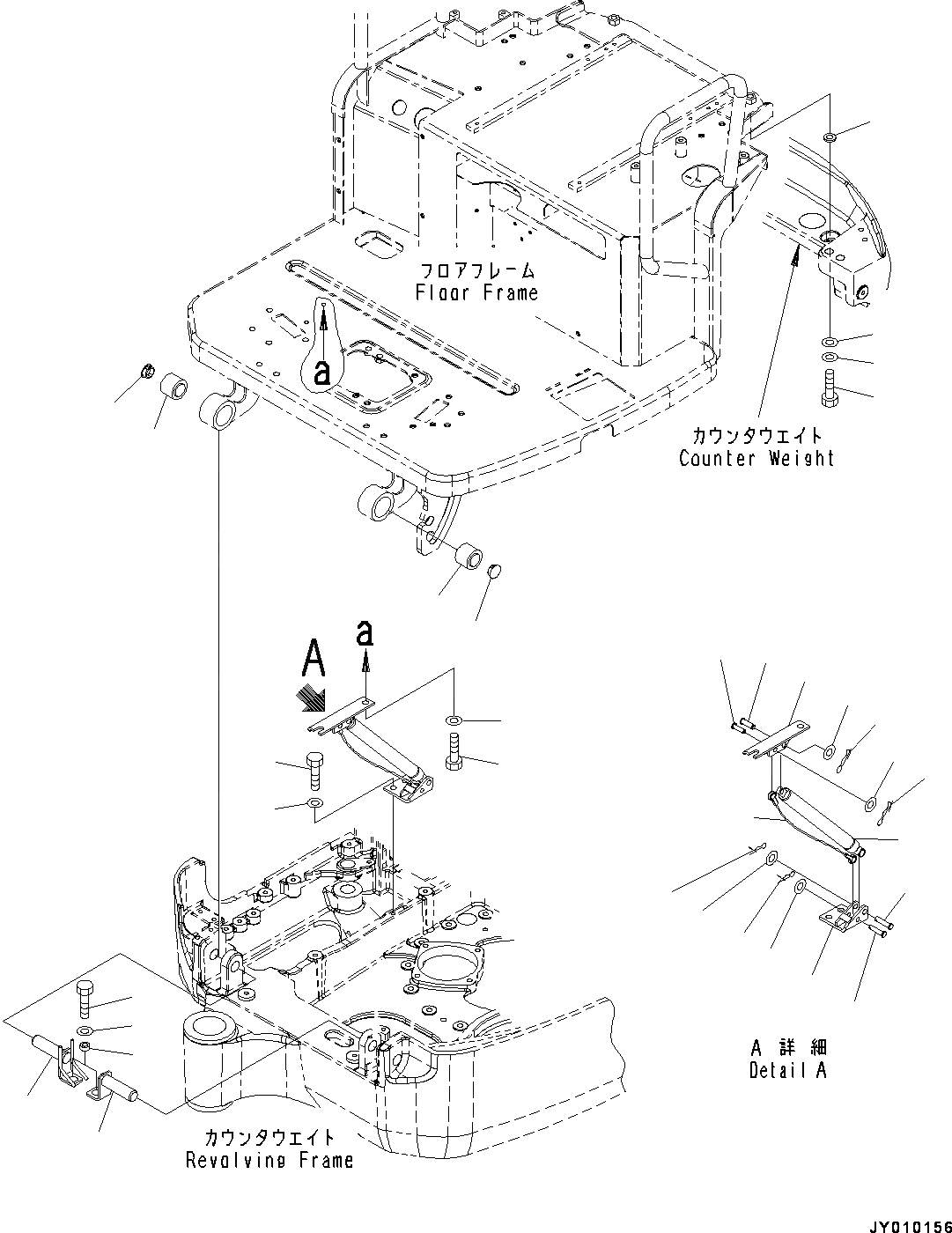
Запчасти Komatsu PC18MR-3 КРЕПЛЕНИЕ ПОЛАING, (/) (№-) КРЕПЛЕНИЕ ПОЛАING

Схема запчастей Komatsu PC18MR-3 - КРЕПЛЕНИЕ ПОЛАING, (/) (№-) КРЕПЛЕНИЕ ПОЛАING
25
26
24
27
18
12
14
19
22
20
21
15
16
20
21
16
15
23
13
17
6
7
8
9
10
5
11
11
5
3
2
4
1
FIT
1:1
100%

Артикул

Название

Примечание

Количество

1

01010-81465

Bolt

2

01643-31445

Washer, Flat

3

01643-32060

Washer

4

21R-54-11710

Washer

5

22L-54-22231

Bushing

6

22J-54-25670

Pin

7

22J-54-25930

Pin

8

21T-72-14930

Boss

9

01010-81025

Bolt

10

01643-31032

Washer

11

22J-54-25691

Cap

|$11

22J-54-37210

Spring Assembly, Gas

12

22M-54-36410

Spring

13

04205-31032

Pin

14

04205-31042

Pin

15

01643-31032

Washer

16

04052-21038

Pin, Snap

17

22L-54-22280

Wire

18

04205-30830

Pin

19

22L-54-22250

Pin

20

01643-30823

Washer

21

04052-20833

Pin, Snap

22

22L-54-22761

Bracket

23

22F-54-32710

Bracket

24

01010-81025

Bolt

25

01643-31032

Washer

26

01010-81020

Bolt

27

01643-31032

Washer

Выбрано товаров: 0