Качественные детали и логистика
Оригинальные и аналоговые запчасти с доставкой по России, Казахстану и Беларуси
©2022 PartSell ООО "Система" ИНН 2463123282 ОГРН 1212400004838
Центральный офис: г. Красноярск, Академика Киренского, д.87, пом.4
Телефон: 8 (800) 777-65-74 Email: zakaz@partsell.ru
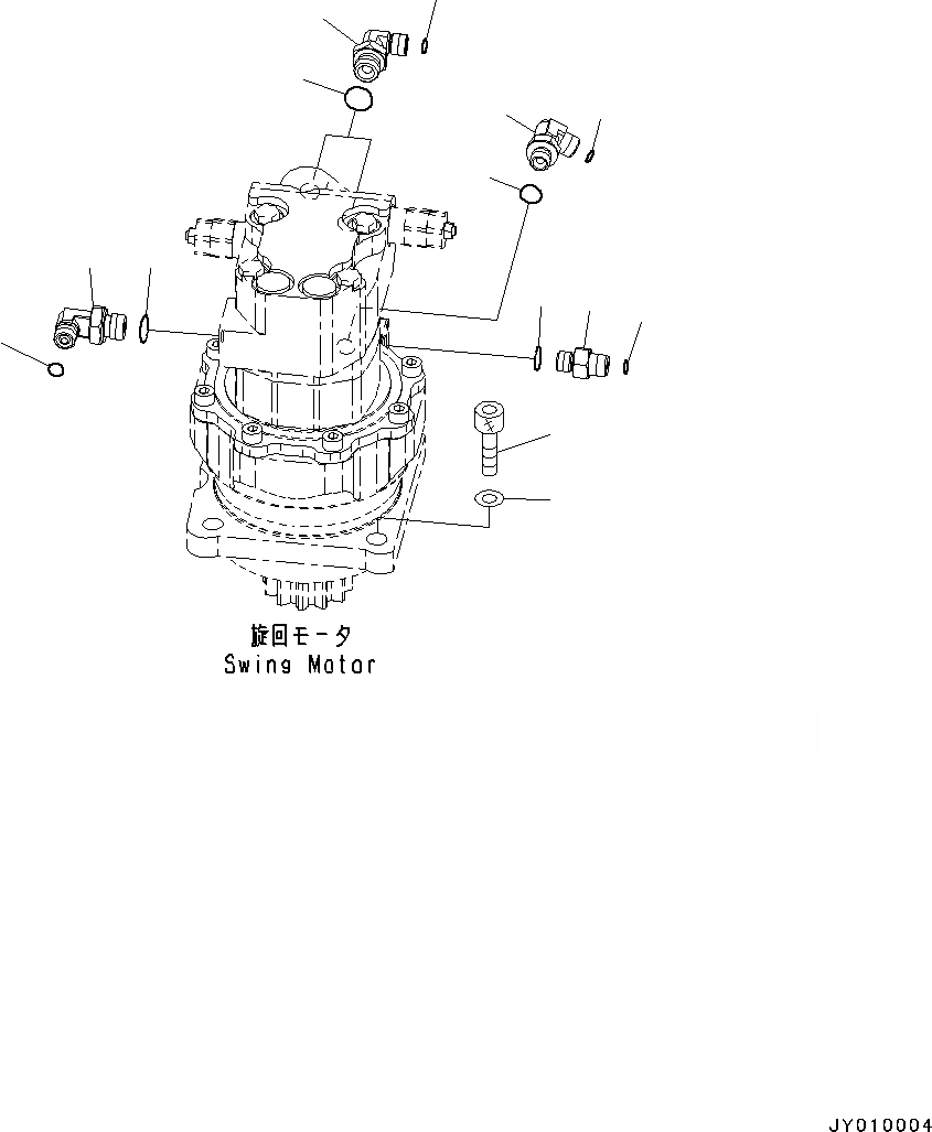
МОТОР ПОВОРОТА, СОЕДИНИТЕЛЬН. ЧАСТИ (№-)
№
Артикул
Название
Примечание
Количество
1
21W-62-43980
Elbow
2
02896-11008
O-ring
3
07000-12011
4
20U-Y14-1550
5
07000-12014
6
7
11Y-62-12140
Nipple
8
9
10
01252-71240
Bolt, Hexagon Socket Head
11
01643-51232
Washer
Выбрано товаров: 0