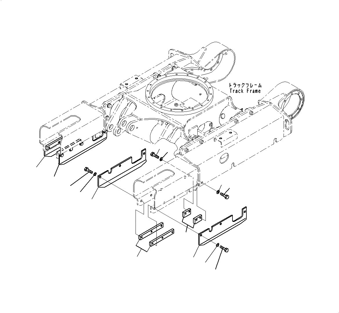
Запчасти Komatsu PC18MR-3 ГУСЕНИЧНАЯ РАМА, ГУСЕНИЦЫ ЧАСТИ КОРПУСА (№-) ГУСЕНИЧНАЯ РАМА, РЕГУЛЯТОР ТИП, STEEL

Схема запчастей Komatsu PC18MR-3 - ГУСЕНИЧНАЯ РАМА, ГУСЕНИЦЫ ЧАСТИ КОРПУСА (№-) ГУСЕНИЧНАЯ РАМА, РЕГУЛЯТОР ТИП, STEEL
4
1
3
1
6
2
5
8
7
5
6
7
8
2
FIT
1:1
100%

Артикул

Название

Примечание

Количество

1

22J-32-25411

Guard,R.H.

2

22J-32-25420

Guard,L.H.

3

20M-30-81420

Plate

4

22X-22-13140

Plate

5

01010-81030

Bolt

6

01643-31032

Washer

7

01010-81030

Bolt

8

01643-31032

Washer

Выбрано товаров: 8