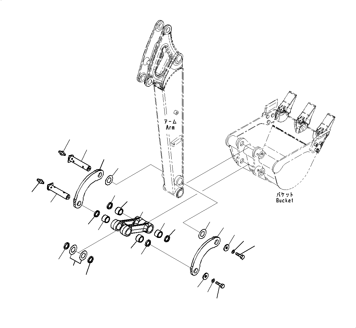
Запчасти Komatsu PC18MR-3 РУКОЯТЬ, СОЕДИНЕНИЕ КОВША (№-) РУКОЯТЬ, ДЛЯ СЕВ. АМЕРИКИ

Схема запчастей Komatsu PC18MR-3 - РУКОЯТЬ, СОЕДИНЕНИЕ КОВША (№-) РУКОЯТЬ, ДЛЯ СЕВ. АМЕРИКИ
2
9
8
10
8
9
10
11
11
7
6
5
4
3
1
6
7
5
4
12
5
5
5
4
4
5
FIT
1:1
100%

Артикул

Название

Примечание

Количество

1

22J-70-25530

Link

2

22J-70-25520

Link

|$2

22J-70-25540

Link Assembly

3

Link

4

22J-70-25231

Bushing

5

22K-70-21540

Seal, Dust

6

22J-70-16553

Pin

7

07020-00000

Fitting, Grease

8

209-54-14650

Washer

9

01010-81225

Bolt

10

01643-31232

Washer

11

20N-70-11280

Spacer, T=1.0mm

12

22K-70-21580

Spacer, T=1.0mm

Выбрано товаров: 13