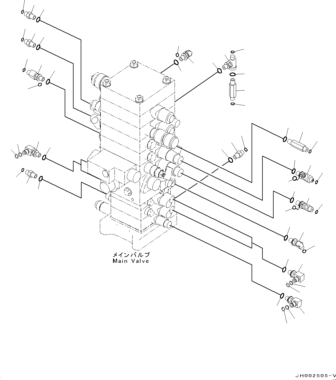
Запчасти Komatsu PC190LC-8 ОСНОВН. УПРАВЛЯЮЩ. КЛАПАН, -АКТУАТОР, 2-СЕКЦИОНН. СТРЕЛА, (/) ОСНОВН. УПРАВЛЯЮЩ. КЛАПАН, -АКТУАТОР, 2-СЕКЦИОНН. СТРЕЛА

Схема запчастей Komatsu PC190LC-8 - ОСНОВН. УПРАВЛЯЮЩ. КЛАПАН, -АКТУАТОР, 2-СЕКЦИОНН. СТРЕЛА, (/) ОСНОВН. УПРАВЛЯЮЩ. КЛАПАН, -АКТУАТОР, 2-СЕКЦИОНН. СТРЕЛА
35
34
33
36
30
28
27
26
29
28
27
26
29
23
24
24
25
20
17
18
19
14
15
16
14
15
16
10
11
12
13
7
8
8
9
4
4
4
5
6
5
6
5
6
1
2
3
31
32
21
22
FIT
1:1
100%

Артикул

Название

Примечание

Количество

1

11Y-62-12780

Nipple

2

02896-11008

O-Ring

3

07002-11423

O-Ring

4

11Y-62-12130

Nipple

5

02896-11008

O-Ring

6

07002-11423

O-Ring

7

11Y-62-12330

Tee

8

02896-11008

O-Ring

9

07002-11423

O-Ring

10

21K-62-72481

Tee

11

02896-11009

O-Ring

12

02896-11008

O-Ring

13

07002-11423

O-Ring

14

11Y-62-12160

Elbow

15

02896-11008

O-Ring

16

07002-11423

O-Ring

17

22B-62-15840

Tee

18

02896-11008

O-Ring

19

07002-11423

O-Ring

20

11Y-62-12780

Nipple

21

02896-11008

O-Ring

22

07002-11423

O-Ring

23

11Y-62-12330

Tee

24

02896-11008

O-Ring

25

07002-11423

O-Ring

26

21K-62-72830

Elbow

27

201-60-11390

O-Ring

28

20Y-62-19560

O-Ring

29

07002-11423

O-Ring

30

20Y-62-41970

Nipple

31

02896-11008

O-Ring

32

07002-11423

O-Ring

33

21K-62-72860

Elbow

34

201-60-11390

O-Ring

35

20Y-62-19560

O-Ring

36

07002-11423

O-Ring

Выбрано товаров: 36