Запчасти Komatsu PC190LC-8 ОСНОВН. УПРАВЛЯЮЩ. КЛАПАН, -НАВЕСН. ОБОРУД, 2-СЕКЦИОНН. СТРЕЛА, (/) ОСНОВН. УПРАВЛЯЮЩ. КЛАПАН, -НАВЕСН. ОБОРУД, 2-СЕКЦИОНН. СТРЕЛА

Схема запчастей Komatsu PC190LC-8 - ОСНОВН. УПРАВЛЯЮЩ. КЛАПАН, -НАВЕСН. ОБОРУД, 2-СЕКЦИОНН. СТРЕЛА, (/) ОСНОВН. УПРАВЛЯЮЩ. КЛАПАН, -НАВЕСН. ОБОРУД, 2-СЕКЦИОНН. СТРЕЛА
10
12
4
3
11
9
8
7
6
4
5
1
3
2
10
11
FIT
1:1
100%

Артикул

Название

Примечание

Количество

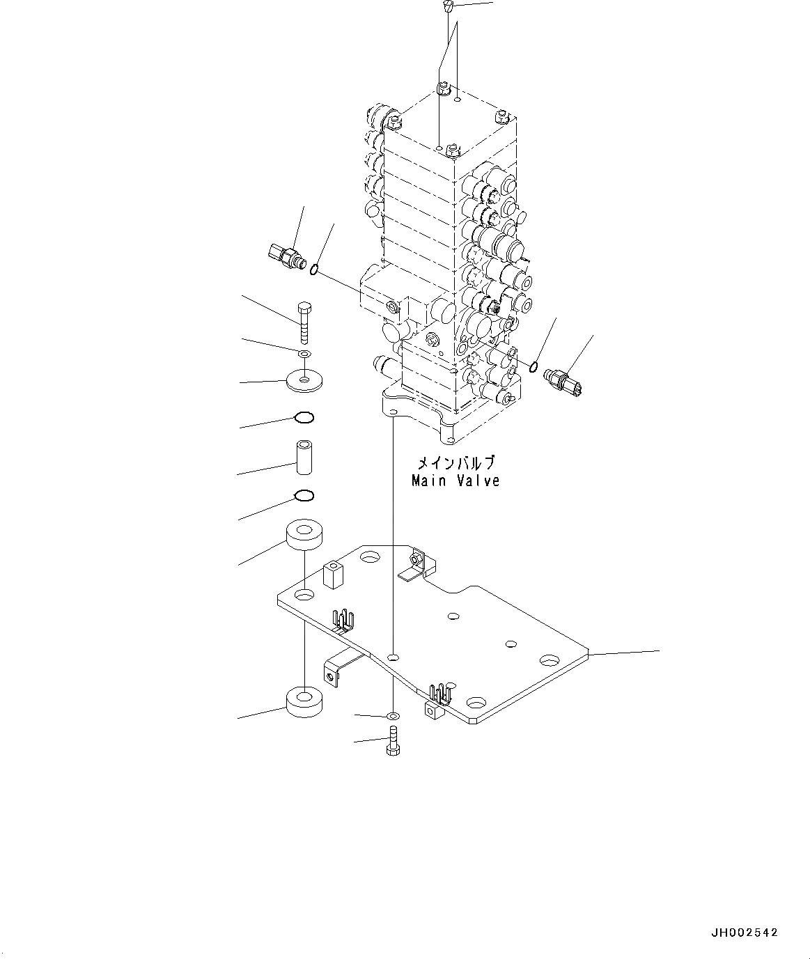
1

21K-62-71122

Bracket

2

203-62-61581

Spacer

3

07000-13025

O-Ring

4

203-54-21110

Cushion

5

203-62-61572

Plate

6

01643-31645

Washer

7

01011-81600

Bolt

8

01643-31645

Washer

9

01010-81640

Bolt

10

7861-93-1812

Sensor

|10

7861-93-1811

Sensor

11

07002-61823

O-Ring

|11

07002-11823

O-Ring

12

07049-01012

Plug

Выбрано товаров: 14