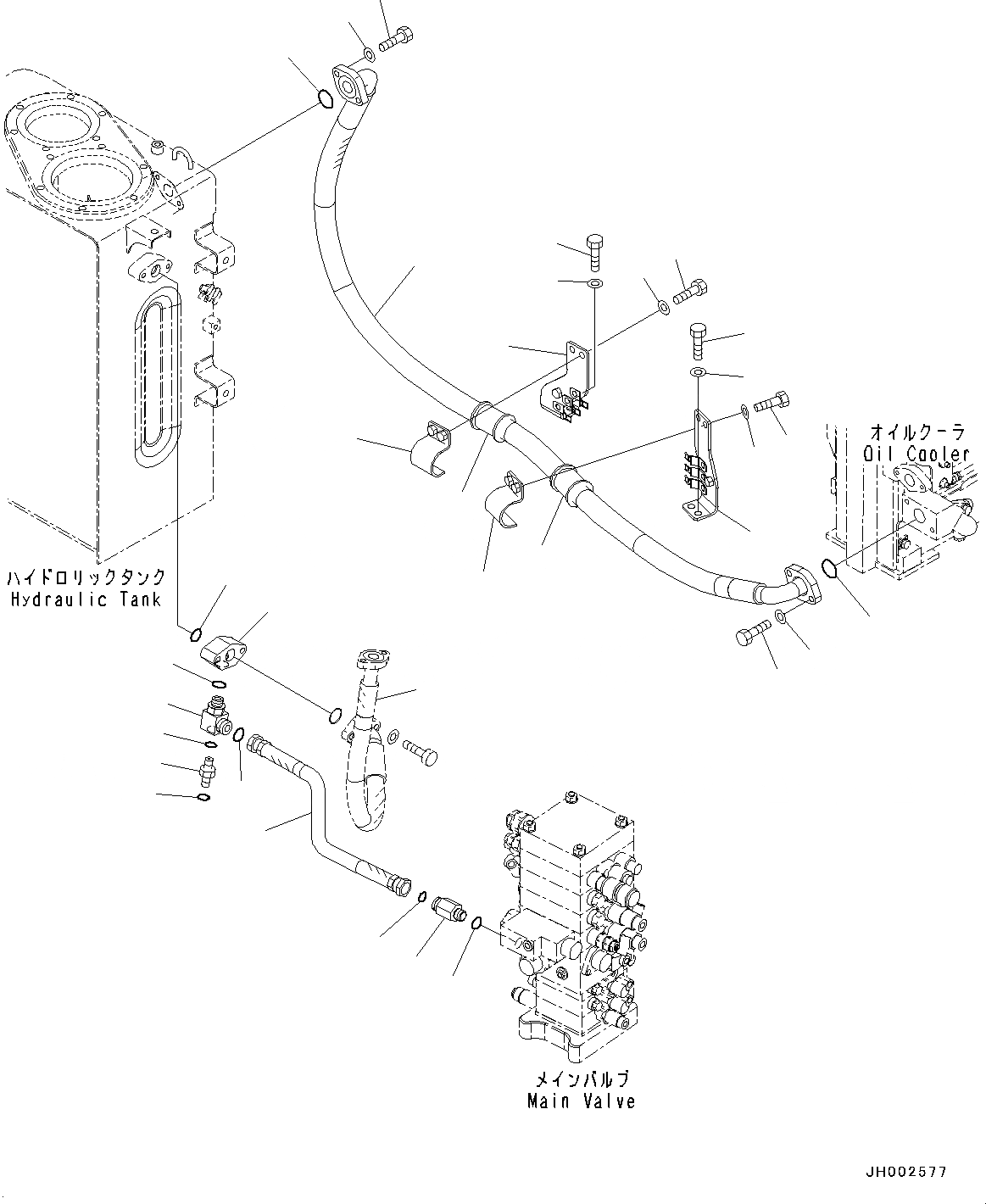
Запчасти Komatsu PC190LC-8 МАСЛООХЛАДИТЕЛЬ КОНТУР, -АКТУАТОР МАСЛООХЛАДИТЕЛЬ КОНТУР, -АКТУАТОР

Схема запчастей Komatsu PC190LC-8 - МАСЛООХЛАДИТЕЛЬ КОНТУР, -АКТУАТОР МАСЛООХЛАДИТЕЛЬ КОНТУР, -АКТУАТОР
6
11
8
6
3
14
1
2
10
7
5
13
4
9
19
7
10
4
3
5
12
8
18
15
16
17
25
26
20
22
21
24
23
27
FIT
1:1
100%

Артикул

Название

Примечание

Количество

1

21K-62-71281

Bracket

2

21K-62-71271

Bracket

3

01010-81225

Bolt

4

01643-31232

Washer

5

21K-62-72810

Clamp

6

07095-01245

Cushion

7

01010-81230

Bolt

8

01643-31232

Washer

9

21K-62-75180

Hose, L=2150mm

10

07000-13048

O-Ring

11

01010-81235

Bolt

12

01643-31232

Washer

13

01010-81240

Bolt

14

01643-31232

Washer

15

22U-62-21480

Nipple

16

02896-11018

O-Ring

17

07002-12434

O-Ring

18

21K-62-71620

Block

19

07000-13035

O-Ring

20

21K-62-72491

Tee

21

02896-11018

O-Ring

22

07002-12434

O-Ring

23

02781-00628

Union

24

02896-11018

O-Ring

25

07002-12434

O-Ring

26

02762-00605

Hose, Face Seal Type

27

21K-62-73360

Hose

Выбрано товаров: 27