Запчасти Komatsu PC190LC-8 КАБИНА, 2-СЕКЦИОНН. СТРЕЛА, КЛАПАН PPCДЛЯ ХОД (/) КАБИНА, 2-СЕКЦИОНН. СТРЕЛА

Схема запчастей Komatsu PC190LC-8 - КАБИНА, 2-СЕКЦИОНН. СТРЕЛА, КЛАПАН PPCДЛЯ ХОД (/) КАБИНА, 2-СЕКЦИОНН. СТРЕЛА
1
7
3
6
4
5
4
6
5
7
3
2
8
9
10
11
12
13
14
15
16
17
18
20
19
13
12
14
11
15
16
17
15
15
FIT
1:1
100%

Артикул

Название

Примечание

Количество

|$0

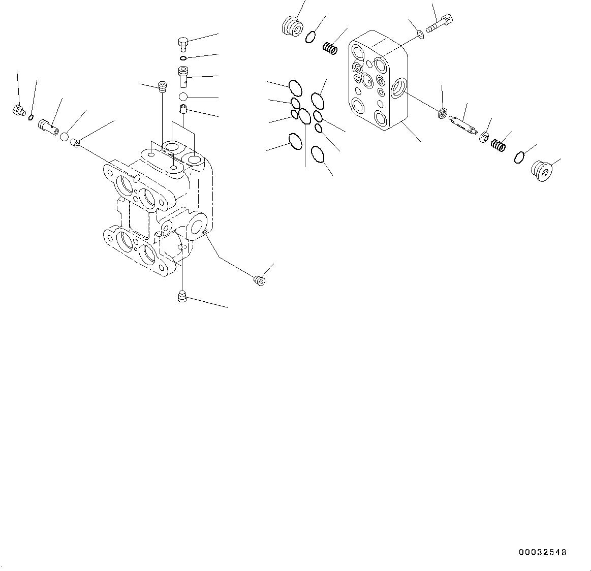
702-16-04250

Valve, Pilot

1

706-86-51180

Plug

2

708-18-12570

Plug

3

07040-11209

Plug

4

07002-11223

O-Ring

5

Ball

6

702-16-55940

Plug

7

702-16-55950

Seat

8

Screw

9

Body, Valve

10

Spool

11

Retainer

12

702-16-57450

Spring

13

723-11-15110

Plug

14

07002-11623

O-Ring

15

07000-12015

O-Ring

16

07000-11010

O-Ring

17

07000-11007

O-Ring

18

700-22-11410

O-Ring

19

01252-60835

Bolt

20

01643-50823

Washer

Выбрано товаров: 21