Запчасти Komatsu PC190NLC-8 ОСНОВН. УПРАВЛЯЮЩ. КЛАПАН, -АКТУАТОР, ВНУТР. ЧАСТИ (9/) ОСНОВН. УПРАВЛЯЮЩ. КЛАПАН, -АКТУАТОР

Схема запчастей Komatsu PC190NLC-8 - ОСНОВН. УПРАВЛЯЮЩ. КЛАПАН, -АКТУАТОР, ВНУТР. ЧАСТИ (9/) ОСНОВН. УПРАВЛЯЮЩ. КЛАПАН, -АКТУАТОР
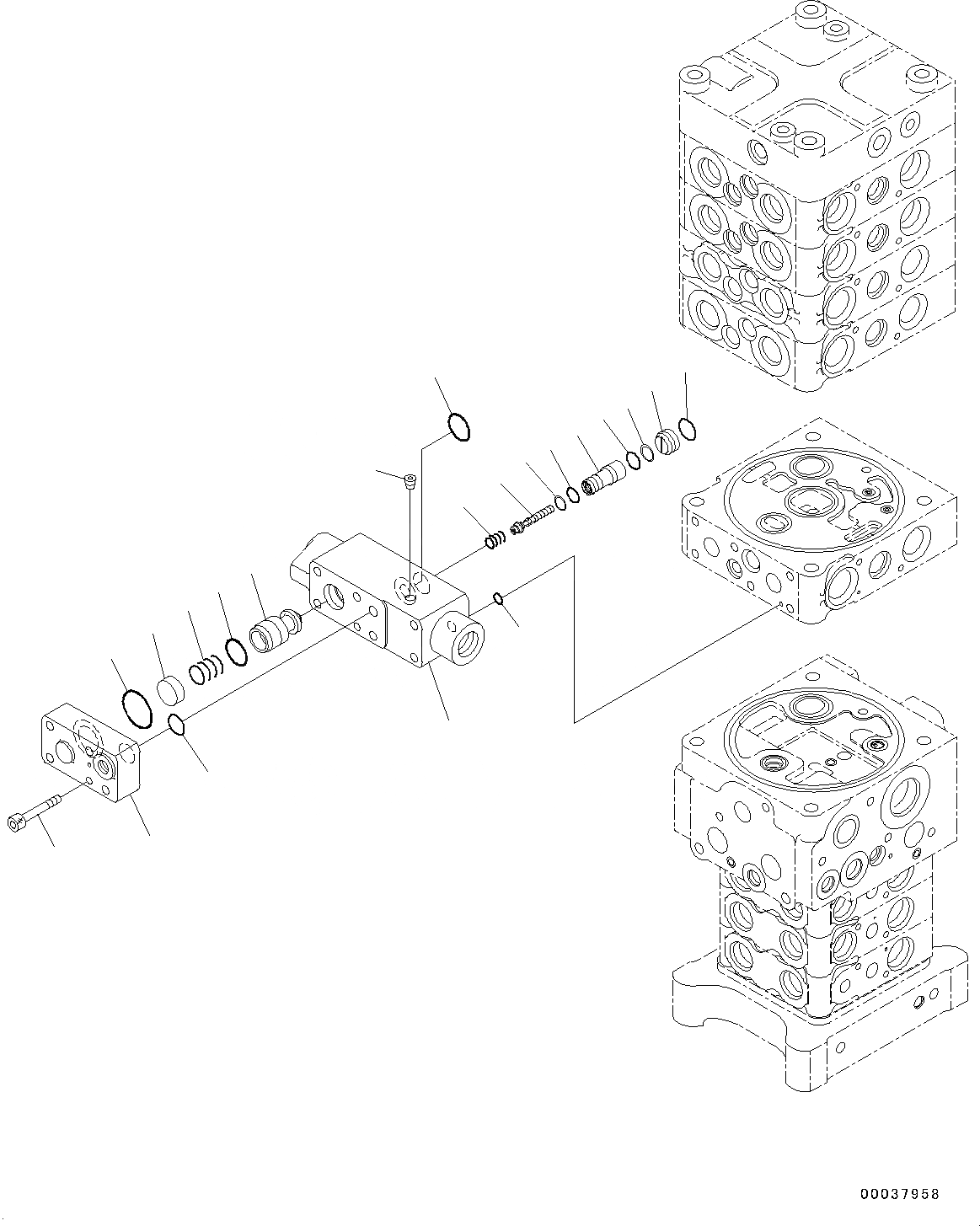
1
5
6
7
8
9
10
11
12
13
14
15
16
17
18
19
20
21
2
3
4
FIT
1:1
100%

Артикул

Название

Примечание

Количество

|$0

723-58-16501

Valve, Control

|$1

723-50-53200

Valve Assembly

1

Block

2

Valve

3

702-21-35130

Seal

4

723-50-53330

Spring

5

Sleeve

6

07000-12010

O-Ring

7

07001-02010

Ring, Back-up

8

07000-12012

O-Ring

9

07001-02012

Ring, Back-up

10

723-50-53170

Seat

11

07000-12016

O-Ring

12

Piston

13

723-50-53350

Spring

14

723-50-53270

Plate

15

723-50-53260

Retainer

16

07000-12015

O-Ring

17

07000-13030

O-Ring

18

01252-60630

Bolt

19

Plug

20

700-13-31161

O-Ring

21

07000-11007

O-Ring

Выбрано товаров: 23