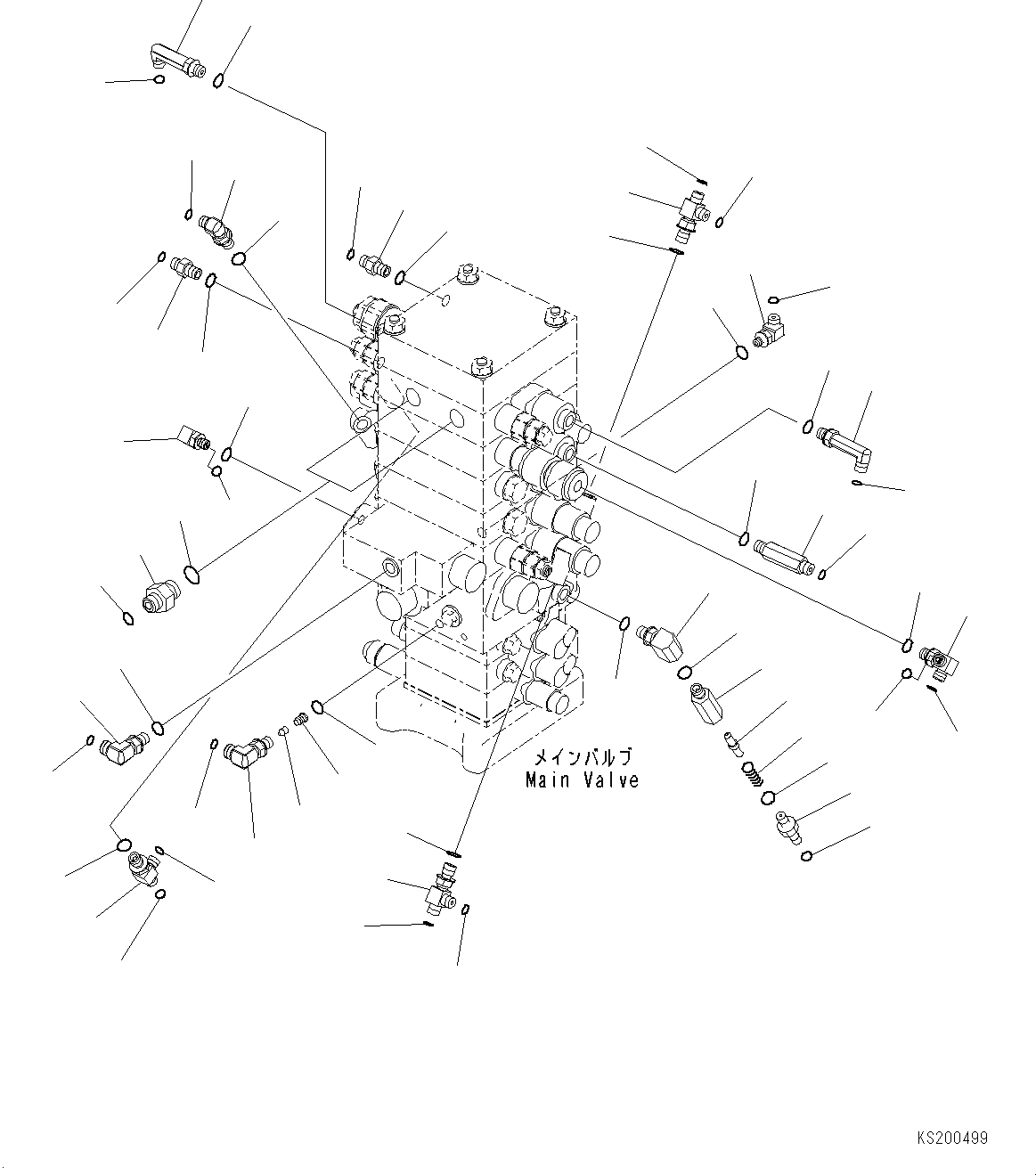
Запчасти Komatsu PC190NLC-8 ОСНОВН. УПРАВЛЯЮЩ. КЛАПАН, -АКТУАТОР, (/) ОСНОВН. УПРАВЛЯЮЩ. КЛАПАН, -АКТУАТОР

Схема запчастей Komatsu PC190NLC-8 - ОСНОВН. УПРАВЛЯЮЩ. КЛАПАН, -АКТУАТОР, (/) ОСНОВН. УПРАВЛЯЮЩ. КЛАПАН, -АКТУАТОР
46
45
47
28
27
29
34
33
35
15
17
16
18
26
24
25
25
40
39
41
47
45
46
42
43
43
44
37
36
38
1
9
3
4
5
6
7
8
2
31
13
49
48
50
14
12
10
11
26
24
25
22
25
19
20
21
23
32
30
31
FIT
1:1
100%

Артикул

Название

Примечание

Количество

1

20F-61-12460

Elbow

2

07002-11423

O-Ring

2

20Y-62-41701

Valve Assembly

3

Body

4

20Y-60-22270

Poppet

5

701-20-61230

Spring

6

07002-11423

O-Ring

7

20Y-62-47630

Nipple

8

02896-11008

O-Ring

9

07002-11423

O-Ring

10

21W-62-42490

Elbow

11

02896-11009

O-Ring

12

07002-11423

O-Ring

13

20Y-62-41920

Elbow

14

02896-11008

O-Ring

15

07002-11223

O-Ring

16

11Y-62-12130

Nipple

17

02896-11008

O-Ring

18

07002-11423

O-Ring

18

21K-60-71230

Valve Assembly

19

Elbow

20

21W-97-33420

Poppet

21

21Y-62-11591

Plug

22

02896-61009

O-Ring

23

07002-11423

O-Ring

24

11Y-62-12330

Tee

25

02896-11008

O-Ring

26

07002-11423

O-Ring

27

11Y-62-12160

Elbow

28

02896-11008

O-Ring

29

07002-11423

O-Ring

30

21K-62-72880

Tee

31

02896-11008

O-Ring

32

07002-11423

O-Ring

33

11Y-62-12130

Nipple

34

02896-11008

O-Ring

35

07002-11423

O-Ring

36

11Y-62-12780

Nipple

37

02896-11008

O-Ring

38

07002-11423

O-Ring

39

21W-62-42920

Elbow

40

07002-11023

O-Ring

41

02896-11008

O-Ring

42

207-62-72141

Elbow

43

02896-11008

O-Ring

44

07002-11423

O-Ring

45

02782-10212

Elbow

46

02896-11008

O-Ring

47

07002-11423

O-Ring

48

02781-0042A

Joint

49

02896-11012

O-Ring

50

07002-12434

O-Ring

Выбрано товаров: 52