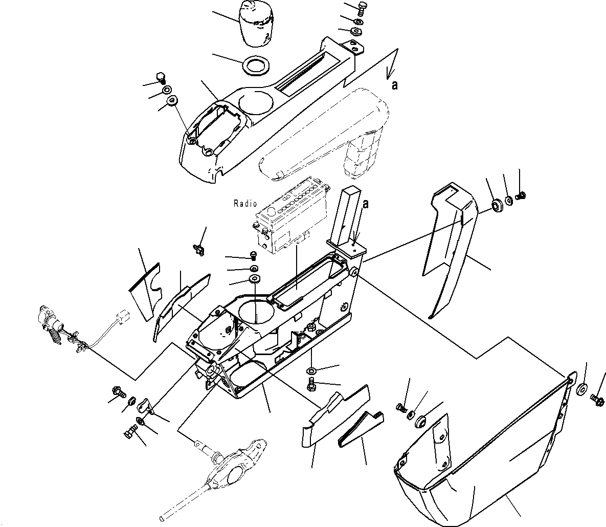
Запчасти Komatsu PC195LC-8 КАБИНА (ПОЛ, КОНСОЛЬ L.H) K

Схема запчастей Komatsu PC195LC-8 - КАБИНА (ПОЛ, КОНСОЛЬ L.H) K
28
27
9
14
15
16
14
15
16
25
24
23
26
12
13
16
10
7
22
20
21
5
6
4
1
11
8
2
3
18
19
21
17
20
21
FIT
1:1
100%

Артикул

Название

Примечание

Количество

1

20Y-43-41416

FRAME L.H

2

01010-81030

BOLT

3

01643-31032

WASHER

4

20Y-43-41472

BRACKET

5

01010-80616

BOLT

6

01643-30623

WASHER

7

20Y-43-41621

SHEET

8

20Y-43-41641

SHEET

9

20Y-43-41424

COVER

10

20Y-43-41651

SHEET

11

20Y-43-41661

SHEET

12

01245-00616

SCREW

13

01643-70623

WASHER

14

01010-80616

BOLT

15

01643-30623

WASHER

16

20Y-43-41290

COLLAR

17

20Y-43-41442

COVER(L.H/FRONT)

18

01245-00616

SCREW

19

01643-70623

WASHER

20

01435-00612

BOLT

21

20Y-43-41290

COLLAR

22

20Y-43-41453

COVER(L.H/REAR)

23

01245-00616

SCREW

24

01643-70623

WASHER

25

20Y-43-41290

COLLAR

26

22U-43-23260

CLIP

27

20Y-43-41970

SHEET

28

20Y-43-41491

ASH TRAY

Выбрано товаров: 28