Качественные детали и логистика
Оригинальные и аналоговые запчасти с доставкой по России, Казахстану и Беларуси
©2022 PartSell ООО "Система" ИНН 2463123282 ОГРН 1212400004838
Центральный офис: г. Красноярск, Академика Киренского, д.87, пом.4
Телефон: 8 (800) 777-65-74 Email: zakaz@partsell.ru
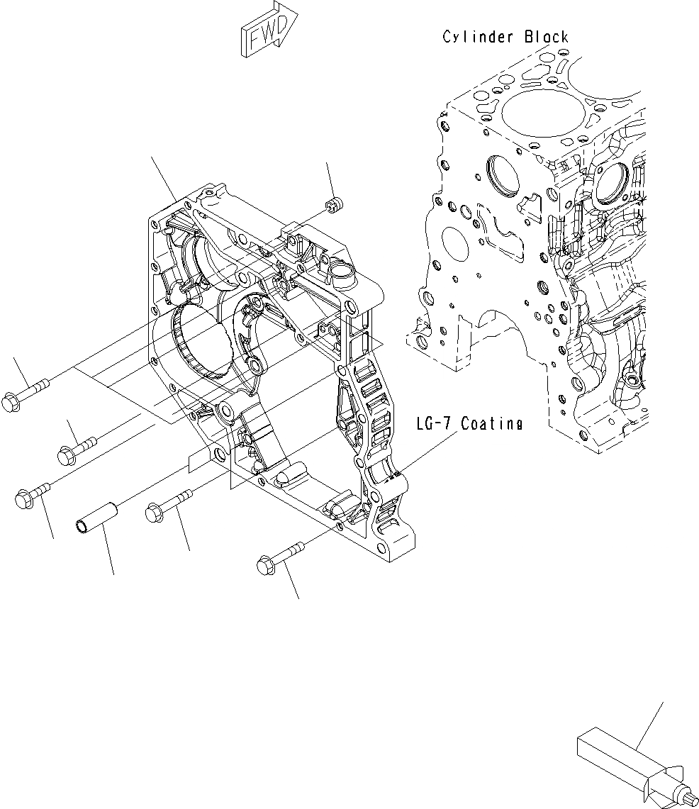
ЗАДН. КОЖУХ ШЕСТЕРЕН. ПЕРЕДАЧИ
№
Артикул
Название
Примечание
Количество
|$1
6754-21-3102
HOUSING ASS'Y, REAR GEAR
1
HOUSING, REAR GEAR
2
6754-21-3120
RING
3
6754-21-3150
INSERT
4
6735-61-2120
BOLT
5
6735-61-3810
6
6732-11-1720
7
6754-21-3140
8
09920-00150
LIQUID GASKET, LG-7, 150G
Выбрано товаров: 0