Запчасти Komatsu PC20-3 МОТОР ХОДА (/) ХОД И КОНЕЧНАЯ ПЕРЕДАЧА

Схема запчастей Komatsu PC20-3 - МОТОР ХОДА (/) ХОД И КОНЕЧНАЯ ПЕРЕДАЧА
FIT
1:1
100%

Артикул

Название

Примечание

Количество

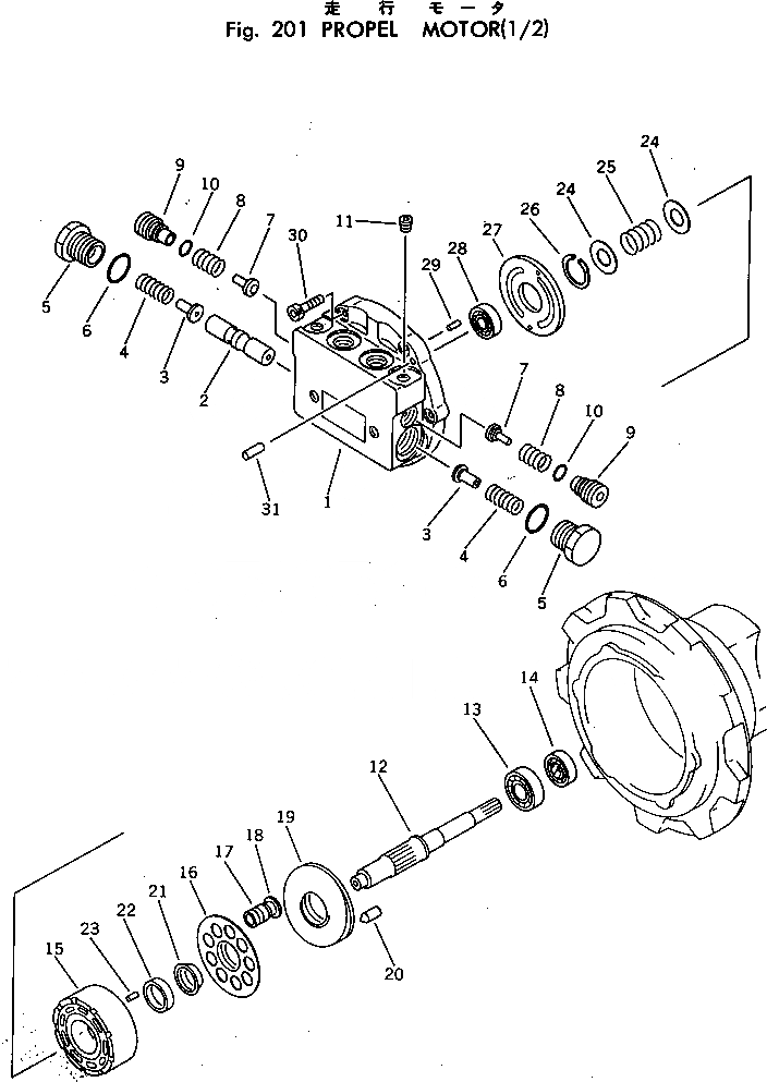
|$0

20R-60-00100

MOTOR ASS'Y

|$1

FLANGE ASS'Y

1

FLANGE,REAR

2

SPOOL

3

STOPPER

4

SPRING

5

PLUG

6

07000-12021

O-RING

7

VALVE

8

SPRING

9

PLUG

10

07000-12012

O-RING

11

PLUG

12

SHAFT

13

BEARING,BALL

14

SEAL,OIL

15

BLOCK,CYLINDER

16

PLATE,RETAINER

17

PISTON

18

SHOE,PISTON

19

PLATE,SWASH

20

PIN

21

BALL,THRUST

22

WASHER KIT

23

PIN

24

WASHER

25

SPRING

26

RING,SNAP

27

PLATE,TIMING

28

BEARING,BALL

29

PIN

30

BOLT

31

PIN

Выбрано товаров: 33